EasyManua.ls Logo

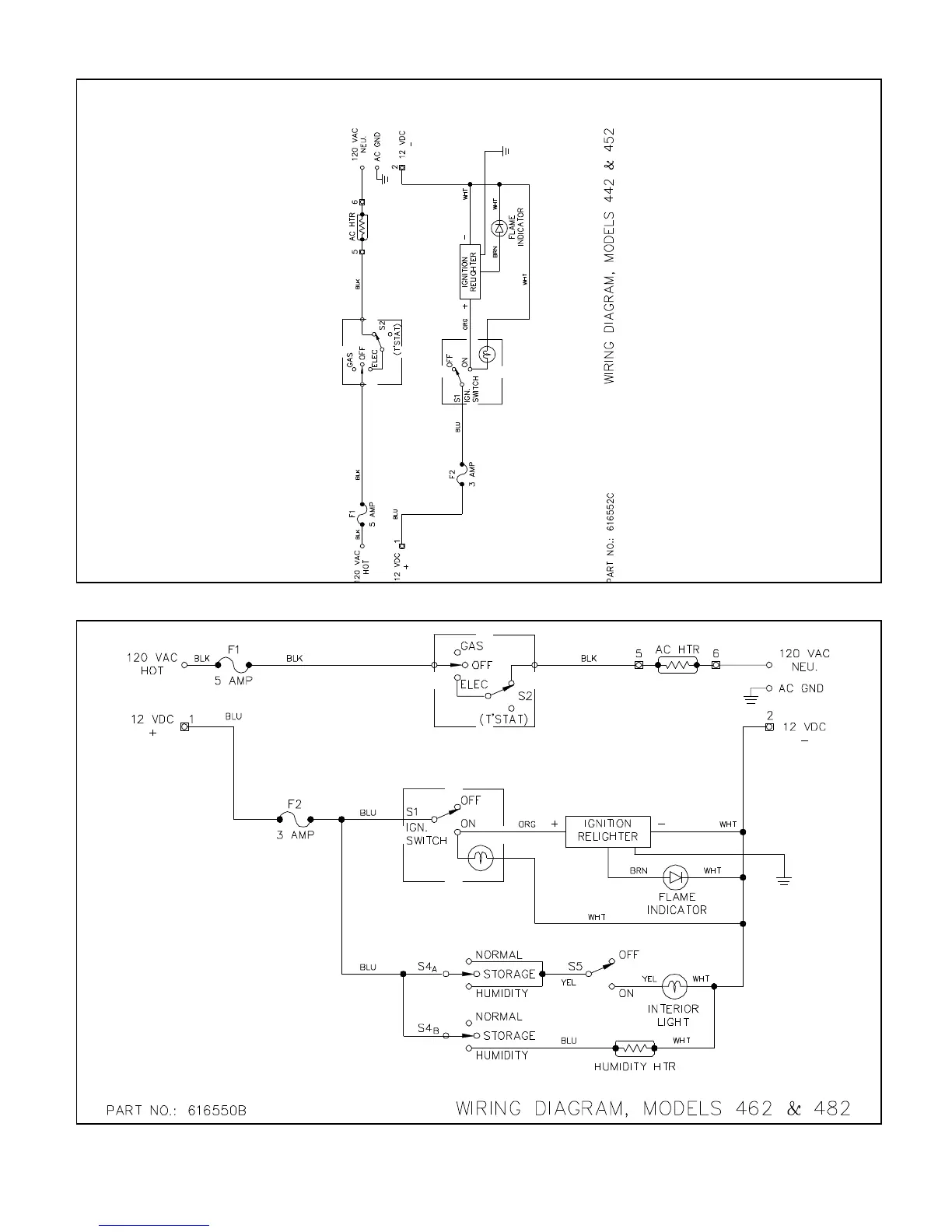
Norcold 443 - Models 462 & 482 Diagram; Models 442 & 452 Diagram

Norcold 443
30 pages
Print Icon
To Next Page IconTo Next Page
To Next Page IconTo Next Page
To Previous Page IconTo Previous Page
To Previous Page IconTo Previous Page
Loading...
B101
3-24

Related product manuals