EasyManua.ls Logo

Norcold 462 - Page 30

Norcold 462
30 pages
Print Icon
To Previous Page IconTo Previous Page
To Previous Page IconTo Previous Page
Loading...
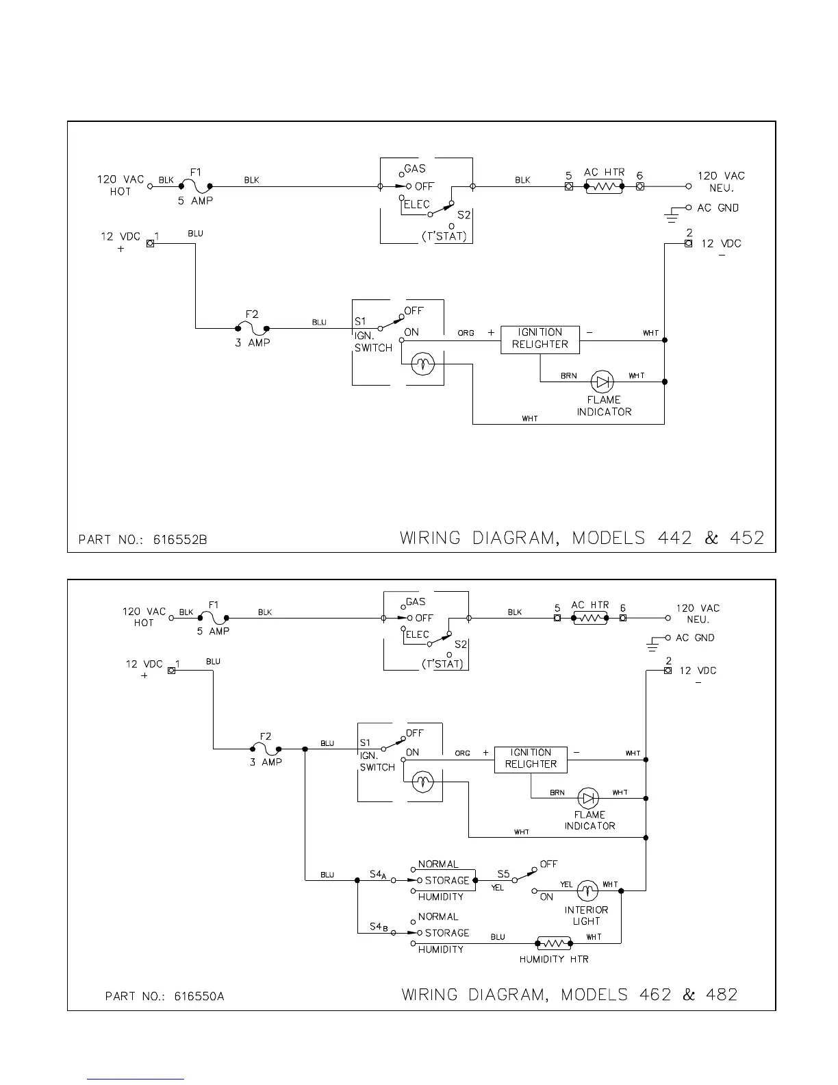
This Page Contains Wiring Diagrams for Earlier Versions
3-4

Related product manuals