EasyManua.ls Logo

Norcold 482 - Page 29

Norcold 482
30 pages
Print Icon
To Next Page IconTo Next Page
To Next Page IconTo Next Page
To Previous Page IconTo Previous Page
To Previous Page IconTo Previous Page
Loading...
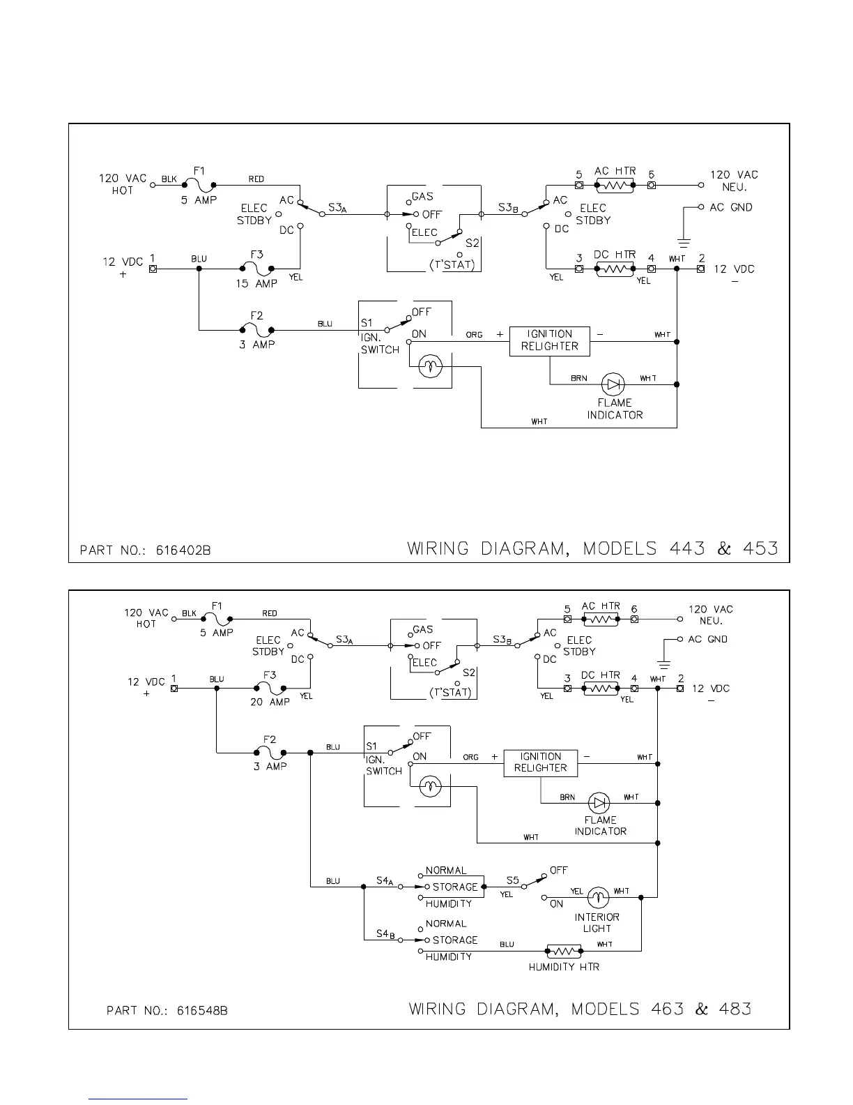
This Page Contains Wiring Diagrams for Earlier Versions
3-3

Related product manuals