EasyManua.ls Logo

Noritz CB180-DV - Page 18

Noritz CB180-DV
56 pages
Print Icon
To Next Page IconTo Next Page
To Next Page IconTo Next Page
To Previous Page IconTo Previous Page
To Previous Page IconTo Previous Page
Loading...
18
Vent Pipe Installation
Chapter4.–Installation
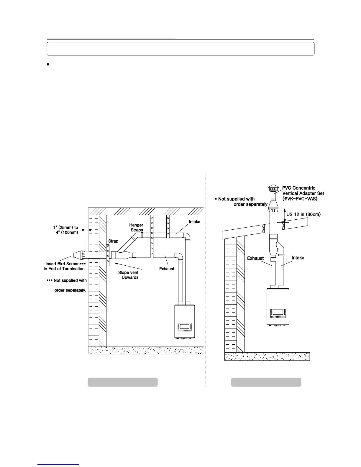
Concentric PVC/CPVC Termination
• PP can not be used if the concentric termination is being used. Must use PVC or CPVC.
• The concentric termination may be shortened, but not lengthened from its original factory supplied length.
• 2" (50mm) & 3" (75mm) PVC or CPVC pipe may be used with the concentric termination. Reducers will be needed to connect 2" pipe.
Maintain the same vent pipe diameter from the Combi Boiler ue to the termination.
• Do not exceed the maximum vent lengths as specied in this section.
• There must be a 1" (25mm) to 4" (100mm) clearance between the outside wall and the air intake section of the termination as
illustrated on the left.
• Install a securing strap to prevent movement of the termination.
• Terminate at least 12" (300mm) above grade or above snow line.
Terminate at least 7' (2.1m) above a public walkway, 6' (1.8m) from the combustion air intake of any appliance, and 3' (0.9m) from any
other building opening, gas utility meter, service regulator etc.
• Terminate at least 3' (0.9m) above any forced air inlet within 10' (3m), 1' (0.3m) below, 1' (0.3m) horizontally from or 1' (0.3m) above
any door, window, or gravity air inlet into any building per National Fuel Gas Code ANSI Z223.1/NFPA 54.
• Slope the horizontal vent 1/4” upwards for every 12" (300mm).
• Use a condensation drain if necessary.
Vent Pipe Installation (DV-Direct Vent)
Vertical
Horizontal
zG
|
o
z
z
XIGOY\PG
[IGOXWWP
pGiGzQQQ
GlGG{
QQQGuGG
GGGGGGS
GGGGGGU
l
p
p
l
|zGXYGGOZWP
QGuGGG
GGSGG
w}jGj
}GhGz
OJ}rTw}jT}hzP
zG
|
o
z
z
XIGOY\PG
[IGOXWWP
pGiGzQQQ
GlGG{
QQQGuGG
GGGGGGS
GGGGGGU
l
p
p
l
|zGXYGGOZWP
QGuGGG
GGSGG
w}jGj
}GhGz
OJ}rTw}jT}hzP
Combi Boiler,
Combi
Boiler,

Related product manuals