EasyManua.ls Logo

Norsup P20X/32 - Appendix and Technical Diagrams; Circuit Diagram

Default Icon
105 pages
Print Icon
To Next Page IconTo Next Page
To Next Page IconTo Next Page
To Previous Page IconTo Previous Page
To Previous Page IconTo Previous Page
Loading...
DE
EN
NL
FR
DA
SV
EN
DE
SWIMMING POOL HEAT PUMP TYPE PXSWIMMING POOL HEAT PUMP TYPE PX
28
29
Alterations which serve the technological progress as well as errors excepted! ORIGINAL MANUAL NORSUPWWW.NORSUP.EU Alterations which serve the technological progress as well as errors excepted!
Recovery
When removing refrigerant from a system, either for
servicing or decommissioning, it is recommended good
practice that all refrigerants are removed safely. When
transferring refrigerant into cylinders, ensure that only
appropriate refrigerant recovery cylinders are employed.
Ensure that the correct number of cylinders for holding
the total system charge is available. All cylinders to be
used are designated for the recovered refrigerant and
labelled for that refrigerant (i.e. special cylinders for the
recovery of refrigerant). Cylinders shall be complete
with pressure relief valve and associated shutoff valves
in good working order. Empty recovery cylinders are
evacuated and, if possible, cooled before recovery
occurs. The recovery equipment shall be in good
working order with a set of instructions concerning
the equipment that is at hand and shall be suitable
for the recovery of flammable refrigerants. In addition,
a set of calibrated weighing scales shall be available
and in good working order. Hoses shall be complete
with leak-free disconnect couplings and in good
condition. Before using the recovery machine, check
that it is in satisfactory working order, has been
properly maintained and that any associated electrical
components are sealed to prevent ignition in the
event of a refrigerant release. Consult manufacturer if
in doubt. The recovered refrigerant shall be returned
to the refrigerant supplier in the correct recovery
cylinder, and the relevant Waste Transfer Note arranged.
Do not mix refrigerants in recovery units and especially
not in cylinders. If compressors or compressor oils are
to be removed, ensure that they have been evacuated
to an acceptable level to make certain that flammable
refrigerant does not remain within the lubricant. The
evacuation process shall be carried out prior to returning
the compressor to the suppliers. Only electric heating to
the compressor body shall be employed to accelerate
this process. When oil is drained from a system, it shall
be carried out safely.
Decommissioning
Before carrying out this procedure, it is essential that
the technician is completely familiar with the equipment
and all its detail. It is recommended good practice that
all refrigerants are recovered safely. Prior to the task
being carried out, an oil and refrigerant sample shall
be taken in case analysis is required prior to re-use of
reclaimed refrigerant. It is essential that electrical
power is available before the task is commenced.
A Become familiar with the equipment and its
operation.
B Isolate system electrically.
C Before attempting the procedure ensure that:
- Mechanical handling equipment is available,
if required, for handling refrigerant cylinders;
- All personal protective equipment is available
and being used correctly;
- The recovery process is supervised at all times
by a competent person;
- Recovery equipment and cylinders conform
to the appropriate standards.
D Pump down refrigerant system, if possible.
E If a vacuum is not possible, make a manifold so that
refrigerant can be removed from various parts of
the system.
F Make sure that cylinder is situated on the scales
before recovery takes place.
G Start the recovery machine and operate in
accordance with manufacturer‘s instructions.
H Do not overfill cylinders. (No more than 80 %
volume liquid charge).
I Do not exceed the maximum working pressure of
the cylinder, even temporarily.
J When the cylinders have been filled correctly and
the process completed, make sure that the
cylinders and the equipment are removed from site
promptly and all isolation valves on the equipment
are closed off.
K Recovered refrigerant shall not be charged into
another refrigeration system unless it has been
cleaned and checked.
Charging procedures
In addition to conventional charging procedures, the
following requirements shall be followed.
- Ensure that contamination of different refrigerants
does not occur when using charging equipment.
Hoses or lines shall be as short as possible to
minimise the amount of refrigerant contained in
them.
- Cylinders shall be kept upright.
- Ensure that the refrigeration system is earthed
prior to charging the system with refrigerant.
- Label the system when charging is complete (if not
already).
- Extreme care shall be taken not to overfill the
refrigeration system. Prior to recharging the system
it shall be pressure tested with OFN. The system
shall be leak tested on completion of charging but
prior to commissioning. A follow up leak test shall
be carried out prior to leaving the site.
- The safety wire model is 5*20_5A/250VAC. And must
meet the explosion-proof requirements
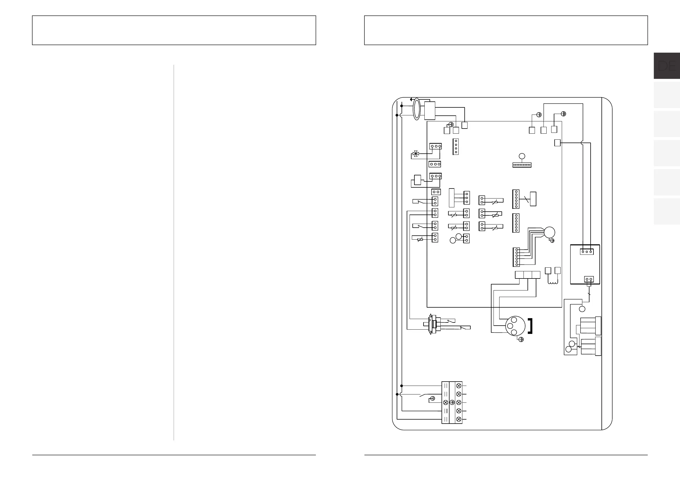
6.APPENDIX
6.1 CIRCUIT DIAGRAM
6.APPENDIX
6.1 Circuit diagram
32
8:
LN
1
2
L
N
RED
BLU
Y/G
K2
CN21
RES1
CN29
OVT
CN30
HP
CN31
LP
CN13
HEAT
CN18
EMV
CN66
RY
CN11
FOUR
CN96
OT(RED)
3/
3/
CN7
OAT
CN8
OPT
CN22
RES2
CN9
OHT
CN12
PH
FS LP
A B
RS485
CN15
LEV1
CN24
LEV2
AT(WHT)
4V
K2
$&/
$&1
L
N
*1'
A
B
reactor
EEV
5
*1'
COMP
8
9
:
U
W
V
RED
BLK WHT
FM
9
CODE˖20190330-0001
FILTER
L
BLU
BRN
N
A
B
RED
WHT
YEL
BLK
$&/
$&1
IT(BLU)
SUT(GRN)
CT(YEL)
Magetic ring
HP
HP
EP
EP
HP
EP
GRN
t
50K
ET(GRY)
DCFAN
CN97
SPS
CN2 CN1
2AC32I12WO1
L
N
P
N
220-240V~/50Hz
TO POWER
SUPPLY
TO PUMP
<10A
CN99
PL
RED
WHT
BLK
PS
3
BRN
BLU
t
5K
t
5K
t
5K
t
5K
t
5K
OT˖Outlet water temperature
4V˖4 way valve
AT˖Ambient temperature
COMP˖Compressor
CT˖Coil temperature
FM˖Fan motor
IT˖Inlet water temperature
LP˖Low pressure protection
FS˖Flow switch
HP˖High pressure protection
ET˖Exhaust temperature
EEV˖Electronic expansion valve
SPS˖Switching power supply
K2˖Realy of pump
EP˖Exhaust protection
SUT˖Suction temperature
PS˖Pressure sensor
CN10
G
2
G
4V 4V
4
YEL 485B-
RED 12V
WHT 485A+
BLK GND
WiFi
BLK GND
YEL 485B-
WHT 485A+
RED 12V
Controller
P13X/32
8:
LN
1
2
L
N
RED
BLU
Y/G
K2
CN21
RES1
CN29
OVT
CN30
HP
CN31
LP
CN13
HEAT
CN18
EMV
CN66
RY
CN11
FOUR
CN96
OT(RED)
3/
3/
CN7
OAT
CN8
OPT
CN22
RES2
CN9
OHT
CN12
PH
FS LP
A B
RS485
CN15
LEV1
CN24
LEV2
AT(WHT)
4V
K2
$&/
$&1
L
N
*1'
A
B
reactor
EEV
5
*1'
COMP
8
9
:
U
W
V
RED
BLK WHT
FM
9
CODE˖20181206-0001
FILTER
L
BLU
BRN
N
A
B
RED
WHT
YEL
BLK
$&/
$&1
IT(BLU)
SUT(GRN)
CT(YEL)
Magetic ring
HP
HP
EP
EP
HP
EP
GRN
t
50K
ET(GRY)
DCFAN
CN97
SPS
CN2 CN1
2AC32I12WO1
L
N
P
N
220-240V~/50Hz
TO POWER
SUPPLY
TO PUMP
<10A
CN99
PL
RED
WHT
BLK
PS
3
4
YEL 485B-
RED 12V
WHT 485A+
BLK GND
WiFi
BLK GND
YEL 485B-
WHT 485A+
RED 12V
BRN
BLU
t
5K
t
5K
t
5K
P17X/32
t
5K
t
5K
Controller
CN10
G
2
G
OT˖Outlet water temperature
4V˖4 way valve
AT˖Ambient temperature
COMP˖Compressor
CT˖Coil temperature
FM˖Fan motor
IT˖Inlet water temperature
LP˖Low pressure protection
FS˖Flow switch
HP˖High pressure protection
ET˖Exhaust temperature
EEV˖Electronic expansion valve
SPS˖Switching power supply
K2˖Realy of pump
EP˖Exhaust protection
SUT˖Suction temperature
PS˖Pressure sensor

Related product manuals