EasyManua.ls Logo

Norsup P20X/32 - Appendix; Circuit Diagram

Default Icon
105 pages
Print Icon
To Next Page IconTo Next Page
To Next Page IconTo Next Page
To Previous Page IconTo Previous Page
To Previous Page IconTo Previous Page
Loading...
ENNL
FR
DA
SV
EN
DE
THERMOPOMPE POUR PISCINE TYPE PXTHERMOPOMPE POUR PISCINE TYPE PX
130
131
Des altérations au service du progrès technologique ainsi que des erreurs sauf! NOTICE ORIGINALE NORSUPWWW.NORSUP.EU Des altérations au service du progrès technologique ainsi que des erreurs sauf!
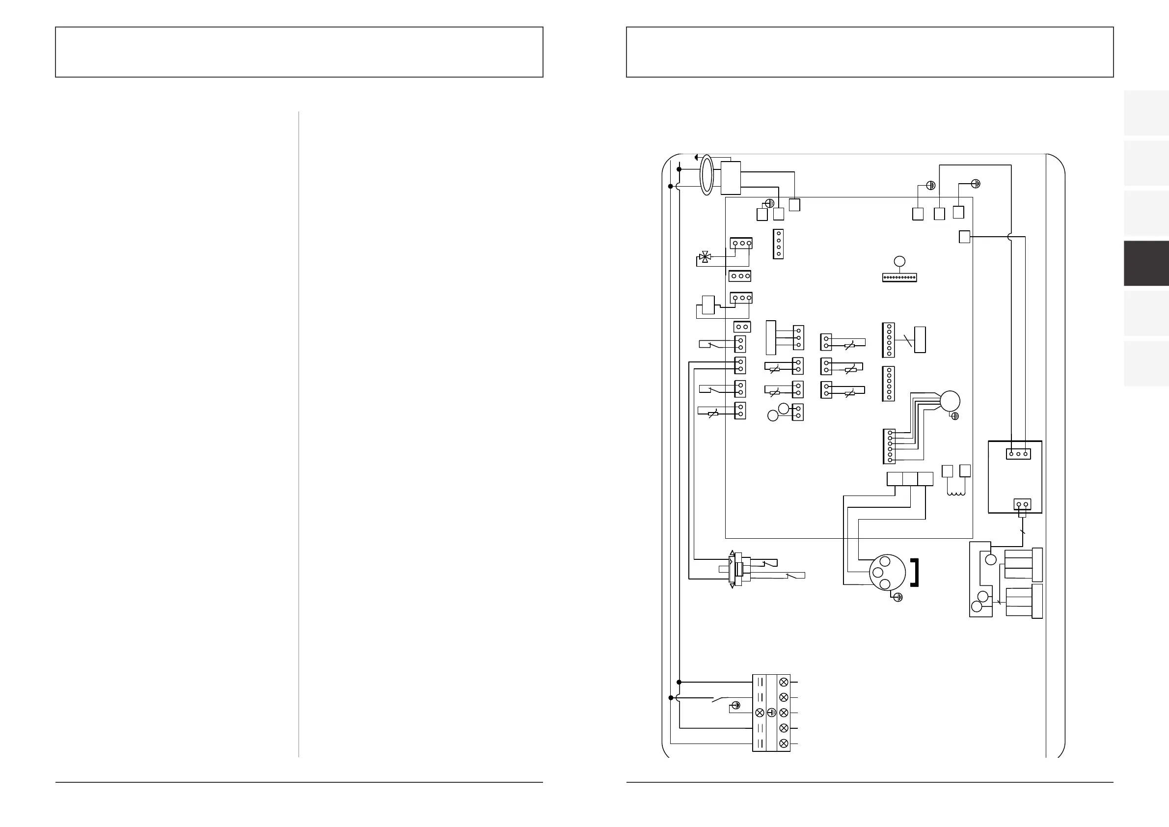
6. APPENDIX
6.1 CIRCUIT DIAGRAM
6.ANNEXE
6.1 Diagramme du circuit
35
8:
LN
1
2
L
N
Rouge
Bleu
J/V
K2
CN21
RES1
CN29
OVT
CN30
HP
CN31
LP
CN13
HEAT
CN18
EMV
CN66
RY
CN11
FOUR
CN96
OT(Rouge)
3/
3/
CN7
OAT
CN8
OPT
CN22
RES2
CN9
OHT
CN12
PH
FS LP
A B
RS485
CN15
LEV1
CN24
LEV2
AT(Blanc)
4V
K2
$&/
$&1
L
N
*1'
A
B
Réacteur
EEV
5
*1'
COMP
8
9
:
U
W
V
Rouge
Noir Blanc
FM
9
CODE˖20190409-0005
FILTER
L
Bleu
Brun
N
A
B
Rouge
Blanc
Jaune
Noir
$&/
$&1
IT(Bleu )
SUT(Green)
CT(Jaune )
Anneau
magnétique
HP
HP
EP
EP
HP
EP
Green
t
50K
ET(Gris)
DCFAN
CN97
SPS
CN2 CN1
2AC32I12WO1
L
N
P
N
220-240V~/50Hz
POUR
ALIMENTER
POMPER
<10A
CN99
PL
Rouge
Blanc
Noir
PS
3
4
Jaune 485B-
Rouge
12V
Blanc 485A+
Noir GND
Noir GND
Jaune 485B-
Blanc 485A+
Rouge
12V
Brun
BLU
t
5K
t
5K
P13X/32
t
5K
Controller
CN10
G
2
G
t
5K
t
5K
OT
˖Température de l'eau de sortie
4V
˖Vanne 4 voies
AT
˖Température ambiante
COMP
˖Compresseur
CT
˖Température de la bobine
FM
˖Moteur de ventilateur
IT
˖Température de l'eau d'entrée
LP
˖Protection basse pression
FS
˖Interrupteur de débit
HP
˖Protection haute pression
ET
˖Température d'échappement
EEV
˖Détendeur électronique
SPS: Alimentation à découpage
K2
˖Relais de pompe
EP: Protection des gaz d'échappement
SUT
˖Empératu
re d'aspiration
PS: Capteur de pression
WiFi
8:
LN
1
2
L
N
Rouge
Bleu
J/V
K2
CN21
RES1
CN29
OVT
CN30
HP
CN31
LP
CN13
HEAT
CN18
EMV
CN66
RY
CN11
FOUR
CN96
OT(Rouge)
3/
3/
CN7
OAT
CN8
OPT
CN22
RES2
CN9
OHT
CN12
PH
FS LP
A B
RS485
CN15
LEV1
CN24
LEV2
AT(Blanc)
4V
K2
$&/
$&1
L
N
*1'
A
B
Réacteur
EEV
5
*1'
COMP
8
9
:
U
W
V
Rouge
Noir Blanc
FM
9
CODE˖20181217-0007
FILTER
L
Bleu
Brun
N
A
B
Rouge
Blanc
Jaune
Noir
$&/
$&1
IT(Bleu )
SUT(Green)
CT(Jaune )
Anneau
magnétique
HP
HP
EP
EP
HP
EP
Green
t
50K
ET(Gris)
DCFAN
CN97
SPS
CN2 CN1
2AC32I12WO1
L
N
P
N
220-240V~/50Hz
POUR
ALIMENTER
POMPER
<10A
CN99
PL
Rouge
Blanc
Noir
PS
3
4
Jaune 485B-
Rouge
12V
Blanc 485A+
Noir GND
WiFi
Noir GND
Jaune 485B-
Blanc 485A+
Rouge
12V
Brun
BLU
t
5K
t
5K
t
5K
P17X/32
t
5K
t
5K
Controller
CN10
G
2
G
OT˖Température de l'eau de sortie
4V˖Vanne 4 voies
AT˖Température ambiante
COMP˖Compresseur
CT˖Température de la bobine
FM˖Moteur de ventilateur
IT˖Température de l'eau d'entrée
LP˖Protection basse pression
FS˖Interrupteur de débit
HP˖Protection haute pression
ET˖Température d'échappement
EEV˖Détendeur électronique
SPS: Alimentation à découpage
K2˖Relais de pompe
EP: Protection des gaz d'échappement
SUT˖Empérat
ure d'aspiration
PS˖Capteur de pression
Étiquetage
L‘équipement doit porter une étiquette indiquant qu‘il a été
mis hors service et vidé de son réfrigérant. L‘étiquette doit être
datée et signée. S‘assurer qu‘il y a des étiquettes sur l‘équipe-
ment indiquant qu’il contient un réfrigérant inflammable.
Récupération
Lors de l‘enlèvement du réfrigérant d‘un système, que ce
soit pour l‘entretien ou le déclassement, il est recommandé
d‘enlever tous les réfrigérants de façon sécuritaire. Lors du
transfert du réfrigérant dans les bouteilles, s‘assurer que
seules des bouteilles de récupération de réfrigérant
appropriées sont utilisées. S‘assurer que le nombre correct
de bouteilles pour contenir la charge totale du système est
disponible. Toutes les bouteilles à utiliser sont désignées
pour le réfrigérant récupéré et étiquetées pour ce réfrigérant
(c‘est-à-dire des bouteilles spéciales pour la récupération du
réfrigérant). Les bouteilles doivent être équipées d‘une
soupape de surpression et des robinets d‘arrêt associés en
bon état de marche. Les bouteilles de récupération vides
sont évacuées et, si possible, refroidies avant la récupération.
L‘équipement de récupération doit être en bon état de
marche avec un ensemble d‘instructions concernant
l‘équipement à portée de main et doit être adapté à la
récupération des réfrigérants inflammables. En outre, un jeu
de balances calibrées doit être disponible et en bon état de
marche. Les tuyaux doivent être complets et en bon état
avec des raccords de sectionnement étanches. Avant
d‘utiliser la machine de récupération, vérifier qu‘elle est en
bon état de marche, qu‘elle a été correctement entretenue
et que tous les composants électriques associés sont scellés
pour éviter toute inflammation en cas de dégagement de
réfrigérant. Consulter le fabricant en cas de doute. Le
réfrigérant récupéré doit être renvoyé au fournisseur de
réfrigérant dans la bouteille de récupération appropriée et
le bulletin de transfert de déchets correspondant doit être
disposée. Ne pas mélanger les réfrigérants dans les unités
de récupération et surtout pas dans les bouteilles.
Si des compresseurs ou des huiles de compresseur doivent
être enlevés, s‘assurer qu‘ils ont été évacués à un niveau
acceptable pour s‘assurer que le réfrigérant inflammable ne
reste pas dans le lubrifiant. Le processus d‘évacuation doit
être effectué avant de retourner le compresseur aux four-
nisseurs. Seul le chauffage électrique du corps du compresseur
doit être utilisé pour accélérer ce processus. Lorsqu’il faut
vidangée le système, cela doit être fait en toute sécurité.
Déclassement
Avant d‘effectuer cette procédure, il est essentiel que le
technicien maitrise parfaitement l‘équipement et tous ses
détails. Il est recommandé de récupérer tous les fluides
frigorigènes en toute sécurité. Avant de commencer, un
échantillon d‘huile et de réfrigérant doit être prélevé au cas
où une analyse serait nécessaire avant la réutilisation du
réfrigérant récupéré.
Il est essentiel que l‘alimentation électrique soit disponible
avant le début de la tâche
a) Se familiariser avec l‘équipement et son fonctionnement.
b) Isoler électriquement le système.
c) Avant de tenter la procédure, assurez-vous que :
. Un équipement de manutention mécanique est
disponible, au besoin, pour la manutention des
bouteilles de réfrigérant ;
. Tous les équipements de protection individuelle sont
disponibles et utilisés correctement ;
. Le processus de récupération est supervisé en tout
temps par une personne compétente ;
. L‘équipement et les bouteilles de récupération sont
conformes aux normes appropriées.
d) Si possible, vidanger le circuit frigorifique.
e) S‘il n‘est pas possible d‘obtenir un vide, installer un
collecteur de manière à ce que le fluide frigorigène puisse
être évacué des différentes parties de l‘installation.
f) S‘assurer que la bouteille est situé sur la balance avant de
procéder à la récupération.
g) Démarrer la machine de récupération et la faire
fonctionner conformément aux instructions du fabricant.
h) Ne pas trop remplir les bouteilles (Pas plus de 80 % de
charge liquide en volume).
i) Ne pas dépasser la pression de service maximale de la
bouteille, même temporairement.
j) Lorsque les bouteilles ont été remplies correctement et
que le processus est terminé, s‘assurer que les bouteilles
et l‘équipement sont retirés du site rapidement et que
toutes les vannes d‘isolation de l‘équipement sont fermées.
k) Le réfrigérant récupéré ne doit pas être chargé dans un
autre système de réfrigération sans avoir été nettoyé et
vérifié.
Procédures de charge
En plus des procédures de charge conventionnelles, les
exigences suivantes doivent être respectées.
- Veillez à ce qu‘il n‘y ait pas de contamination des
différents réfrigérants lors de l‘utilisation de l‘équipement
de charge. Les tuyaux ou conduites doivent être aussi
courts que possible pour réduire au minimum la quantité
de réfrigérant qu‘ils contiennent.
- Maintenir les bouteilles en position verticale.
- S‘assurer que le système de réfrigération est mis à la terre
avant de le charger de réfrigérant.
- Marquez le système lorsque la charge est terminée (si ce
n‘est pas déjà fait).
- Faire très attention de ne pas trop remplir le système de
réfrigération. Avant de recharger le système, il doit être
soumis à un test de pression avec l’AEO. Le système doit
faire l‘objet d‘un test d‘étanchéité à la fin de la charge,
mais avant la mise en service. Un test d‘étanchéité de
suivi doit être effectué avant de quitter le site.
Le modèle de câble de sécurité est de 5*20_5A/250VAC.
Et doit répondre aux exigences antidéflagrantes

Related product manuals