EasyManua.ls Logo

Norsup P20X/32 - Page 68

Default Icon
105 pages
Print Icon
To Next Page IconTo Next Page
To Next Page IconTo Next Page
To Previous Page IconTo Previous Page
To Previous Page IconTo Previous Page
Loading...
ENNL
FR
DA
SV
EN
DE
THERMOPOMPE POUR PISCINE TYPE PXTHERMOPOMPE POUR PISCINE TYPE PX
134
135
Des altérations au service du progrès technologique ainsi que des erreurs sauf! NOTICE ORIGINALE NORSUPWWW.NORSUP.EU Des altérations au service du progrès technologique ainsi que des erreurs sauf!
37
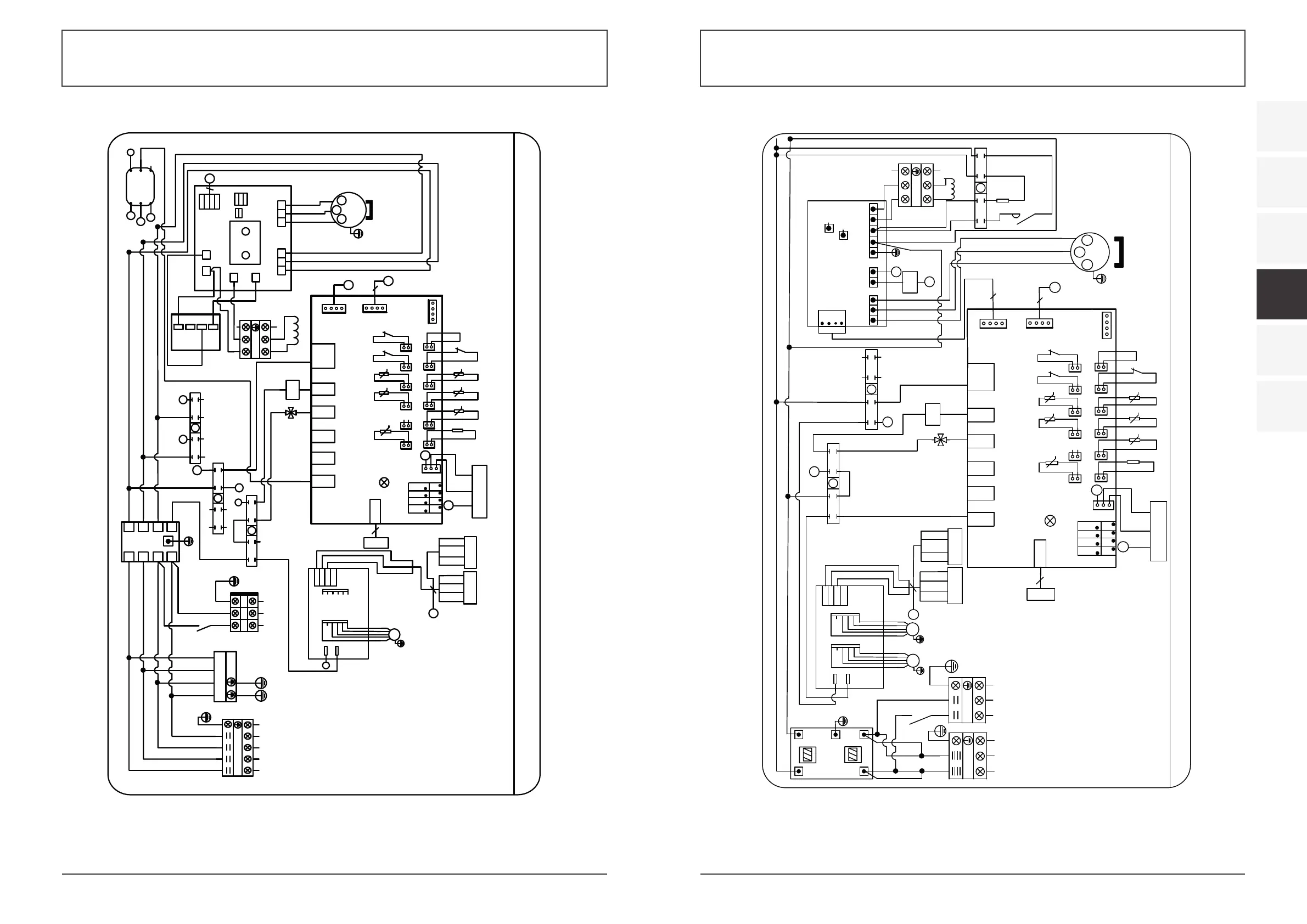
6.ANNEXE
6.1 Diagramme de circuit
CODE˖20181128-0005
K2
N
1
3
24
5
6
7
8
01
N
L
N
N
N
N
N
4V
1
3
24
5
6
7
8
02
N
L
J/V
Jaune
P
N
L
N
Rouge
Bleu
POMPER
<10A
$
*1'
9
%
3
:89
3
3(
$&1 $&/
/ /
&1
&1
&1
&1
&1
&1
3
3
/
1
8
9
:
$&,:0
COMP
8
9
:
U
W
V
Rouge
Noir
Blanc
PTC
K2
N
N
N
1
3
24
5
6
7
8
03
L4
/
/
/
3
L
1
KM1
L
N
N
P26X/32
K2
1
N
N
L
L
$&/RXW
$&1RXW
$&1LQ
$&/LQ
(0,
CN1
FM1
ZL10
1
GND
485A1
12V
N
L
485B1
J/V
Blanc
Noir
CN4
L
/
4V
4
Rouge
Noir
Blanc
Capteur de
pressionSUT
CN9
3
RLY1
OUT2
OUT3
AC-N1
OUT4
OUT5
CN2
PC1004
CN8
4
CN13
A1A3A5A7A9
A11
t
5K
SUT LP
À distance
ON/OFF
A4A6A8A10
A12
A2
FS
HP
t
5K
IT
t
5K
CTET
t
50K
t
5K
OT
t
5K
AT
6.8K
CN11
A13
GND
GND
GND
GND
+12V
0~10V-OUT
PWM-IN
PWM-OUT
9
9
L
N
L
/
KM1
LN
LN
EEV
5
J/V
FM2
J/V
3
/
L
L
N
1
L
N
N
4
Manette
Jaune 485B-
Noir GND
Rouge 12V
Blanc 485A+
Jaune 485B-
Noir GND
Rouge 12V
Blanc 485A+
WIFI
220-240V~/50Hz
POUR
ALIMENTER
4
KM1˖Contacteur de compresseur
SUT˖Température d 'aspiration
AT˖Température ambiante
COMP ˖Compresseur
CT˖Température de la bobine
FM˖Moteur de ventilateur
IT˖Température de l 'eau d 'entrée
LP˖Protection basse pression
OT˖Température de l 'eau de sortie
FS˖Interrupteur de débit
HP˖Protection haute pression
EEV˖Détendeur électronique
4V˖Vanne 4 voies
ET˖Température d 'échappement
PM˖Moniteur de phase
K2˖Relais de pomp
e
OHFWULTXH
U«DFWHXU
L
N
/
/
P35X/32
R
S
T
N
Rouge
Noir
Blanc
Bleu
RS
T
N
R
N
4V
1
3
24
5
6
7
8
02
N
N14
N
N
N
N
N
N
K2
4V
N
R
1
3
24
5
6
7
8
01
L3(C)
L2(B)
L1(A) 11
14
12
PM
N
N14
R
R
R
4
CODE˖20181128-0006
Rouge
Noir
Blanc
Capteur de
pressionSUT
J/V
&203
8
9
:
8
9
:
K2
0RGXOHGXFRQGXFWHXO
DCN-IN
8 9:567
DCP-IN
DCN-OUT
DCP-OUT
B
A
GND
12V
CN602
GND
CN605
5V
JP601
5«DFWHXU«OHFWULTXH
5
6
7
Rouge
BLK
Blanc
R
S
T
N
1
N
1
R
RST
P35TX/32
DC+
DC1+
DC-
DC1-
EEV
5
CN9
3
RLY1
OUT2
OUT3
AC-N1
OUT4
OUT5
CN2
PC1004
CN8
4
A1A3A5A7A9
A11
t
5K
SUT LP
À distance
ON/OFF
A4A6A8A10
A12
A2
FS
HP
t
5K
IT
t
5K
CTET
t
50K
t
5K
OT
t
5K
AT
6.8K
CN11
A13
GND
GND
GND
GND
+12V
0~10V-OUT
PWM-IN
PWM-OUT
9
9
$ % & 1
1&%$
(0,
),
4
Pour alimenter
380-415V/3N~/50Hz
CN1
FM1
ZL10
5
1
GND
485A1
12V
N
L
485B1
J/V
Blanc
Noir
CN4
FM2
J/V
Jaune
4
Manette
Jaune 485B-
Noir GND
Rouge 12V
Blanc 485A+
CN13
L
N
1
3
24
5
6
7
8
03
S
T
S
S
5
6 7
T
T
6
7
5
5
N
L1N
R
S
T
SPD
L2L3
N
N
K2
P
J/V
N
POMPER
<10A
T
P26TX/32
Jaune 485B-
Noir GND
Rouge 12V
Blanc 485A+
WIFI
K2˖Relais de pompe
SUT˖Température d'aspiration
AT˖Température ambiante
COMP˖Compresseur
CT˖Température de la bobine
FM˖Moteur de ventilateur
IT˖Température de l'eau d'entrée
LP˖Protection basse pression
OT˖Température de l'eau de sortie
FS˖Interrupteur de débit
HP˖Protection haute pression
EEV˖Détendeur électronique
4V˖Vanne 4 voies
ET˖Température d'échappement
PM˖Moniteur de phase
SPD˖Dispositif de protection
de surtension
6.ANNEXE
6.1 Diagramme du circuit
36
CODE˖20181128-0003
K2
N
1
3
24
5
6
7
8
01
N
L
N
N
N
N
N
4V
1
3
24
5
6
7
8
02
N
L
J/V
Jaune
P
L
N
Rouge
Bleu
$
*1'
9
%
3
:89
3
3(
$&1 $&/
/ /
&1
&1
&1
&1
&1
&1
3
3
/
1
8
9
:
$&,:0
COMP
8
9
:
U
W
V
Rouge
Noir
Blanc
PTC
K2
N
N
N
1
3
24
5
6
7
8
03
L4
/
/
/
3
L
3
1
K1
L
N
N
P20X/32
K2
1
N
N
L
L
$&/RXW
$&1RXW
$&1LQ
$&/LQ
(0,
CN1
FM1
ZL10
1
GND
485A1
12V
N
L
485B1
J/V
Blanc
Noir
CN4
L
/
4V
4
Rouge
Noir
Blanc
Capteur de
pressionSUT
CN9
3
RLY1
OUT2
OUT3
AC-N1
OUT4
OUT5
CN2
PC1004
CN8
4
CN13
A1A3A5A7A9
A11
t
5K
SUT LP
À distance
ON/OFF
A4A6A8A10
A12
A2
FS
HP
t
5K
IT
t
5K
CTET
t
50K
t
5K
OT
t
5K
AT
6.8K
CN11
A13
GND
GND
GND
GND
+12V
0~10V-OUT
PWM-IN
PWM-OUT
9
9
L
/
K1
EEV
5
LN
1
2
4
N
L
N
220-240V~/50Hz
POUR
ALIMENTER
POMPER
<10A
4
Manette
Jaune 485B-
Noir GND
Rouge 12V
Blanc 485A+
WiFi
Noir GND
Jaune 485B-
Blanc 485A+
Rouge 12V
K1˖Relais de compresseur
SUT˖empérature d'aspiration
AT˖Température ambiante
COMP˖Compresseur
CT˖Température de la bobine
FM˖Moteur de ventilateur
IT˖Température de l'eau d'entrée
LP˖Protection basse pression
OT˖Température de l'eau de sortie
FS˖Interrupteur de débit
HP˖Protection haute pression
EEV˖Détendeur électronique
4V˖Vanne 4 voies
ET˖Température d'échappement
PM˖Moniteur de phase
K2˖Relais de pompe
HOHFWULFUHDFWRU
L
N
/
/
/
R
S
T
N
Rouge
Noir
Blanc
Bleu
RS
T
N
R
N
4V
1
3
24
5
6
7
8
02
N
N14
N
N
N
N
N
N
K2
4V
N
R
1
3
24
5
6
7
8
01
L3(C)
L2(B)
L1(A) 11
14
12
PM
N
N14
R
R
R
4
CODE˖20181128-0004
Rouge
Noir
Blanc
Capteur de
pressionSUT
J/V
&203
8
9
:
8
9
:
K2
0RGXOHGXFRQGXFWHXO
DCN-IN
89:567
DCP-IN
DCN-OUT
DCP-OUT
B
A
GND
12V
CN602
GND
CN605
5V
JP601
5«DFWHXU«OHFWULTXH
5
6
7
Rouge
Noir
Blanc
R
S
T
N
1
N
1
R
RST
P20TX/32
DC+
DC1+
DC-
DC1-
EEV
5
CN9
3
RLY1
OUT2
OUT3
AC-N1
OUT4
OUT5
CN2
PC1004
CN8
4
A1A3A5A7A9
A11
t
5K
SUT LP
À distance
ON/OFF
A4A6A8A10
A12
A2
FS
HP
t
5K
IT
t
5K
CTET
t
50K
t
5K
OT
t
5K
AT
6.8K
CN11
A13
GND
GND
GND
GND
+12V
0~10V-OUT
PWM-IN
PWM-OUT
9
9
$ % & 1
1&%$
(0,
),
4
Pour alimenter
380V/3N~/50Hz
CN1
FM1
ZL10
5
1
GND
485A1
12V
N
L
485B1
J/V
Blanc
Noir
CN4
Jaune
4
Manette
Jaune 485B-
Noir GND
Rouge 12V
Blanc 485A+
CN13
L
N
1
3
24
5
6
7
8
03
S
T
S
S
5
6 7
T
T
6
7
5
5
N
L1N
R
S
T
SPD
L2L3
N
N
K2
P
J/V
N
POMPER
<10A
T
WIFI
Jaune 485B-
Noir GND
Rouge 12V
Blanc 485A+
K2˖Relais de pompe
SUT˖Température d'aspiration
AT˖Température ambiante
COMP˖Compresseur
CT˖Température de la bobine
FM˖Moteur de ventilateur
IT˖Température de l'eau d'entrée
LP˖Protection basse pression
OT˖Température de l'eau de sortie
FS˖Interrupteur de débit
HP˖Protection haute pression
EEV˖Détendeur électronique
4V˖Vanne 4 voies
ET˖Température d'échappement
PM˖Moniteur de phase
SPD˖dispositif de protection de surtension

Related product manuals