EasyManua.ls Logo

Nortec NHTC - Modulating Control Wiring

Nortec NHTC
96 pages
Print Icon
To Next Page IconTo Next Page
To Next Page IconTo Next Page
To Previous Page IconTo Previous Page
To Previous Page IconTo Previous Page
Loading...
23 | Installation
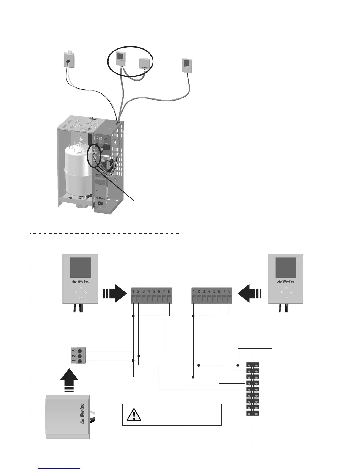
Modulating Control Wiring
Figure 21: Modulating Controls
1- 24 VAC
2 - On/Off Loop
3 - Ground
4 - Control Signal
5 - Limit Signal (NHTC only)
6 - 5 VDC
7 - Ground
8 - Blower Pack
9 - Blower Pack
1 - Ground
2 - 24 VAC
6 - Analog Out
8 - Temperature
Insert On/Off
controls or jumper
between 1 and 2
1510142 - Digital Wall Humidistat
1 - Ground
2 - 24 VAC
6 - Analog Out
7 - Analog In
8 - Temperature
2520266 - Digital Duct Humidistat
Package
N
H
T
C
Or
N
H
P
C
Analog Out - 3
24 VAC - 2
Ground - 1
E
x
t
e
r
n
a
l
Connect 24 VAC, terminal
1 of NHTC/PC to terminal
2 of controllers.
Figure 22: Digital Modulating Humidistats
Note: 1
2
3
4
5
Install On/Off controls or jumper between
terminal 1 and 2 of humidifier in order to run.
Terminal 1 is 24 VAC Hot, turn unit off to
avoid shorting while wiring.
High Limit Humidistat must be duct mounted.
It can be On/Off or modulating.
Control Humidistat can be mounted in space
or in return air duct and can be On/Off or
modulating.
The NHPC can only accept one modulating
signal.
Humidifier Terminal Strip
Air Provin
g
Switch
High Limit Humidistat
Control Humidistat

Table of Contents

Related product manuals