EasyManua.ls Logo

North ATHLETE - Page 22

North ATHLETE
39 pages
Print Icon
To Next Page IconTo Next Page
To Next Page IconTo Next Page
To Previous Page IconTo Previous Page
To Previous Page IconTo Previous Page
Loading...
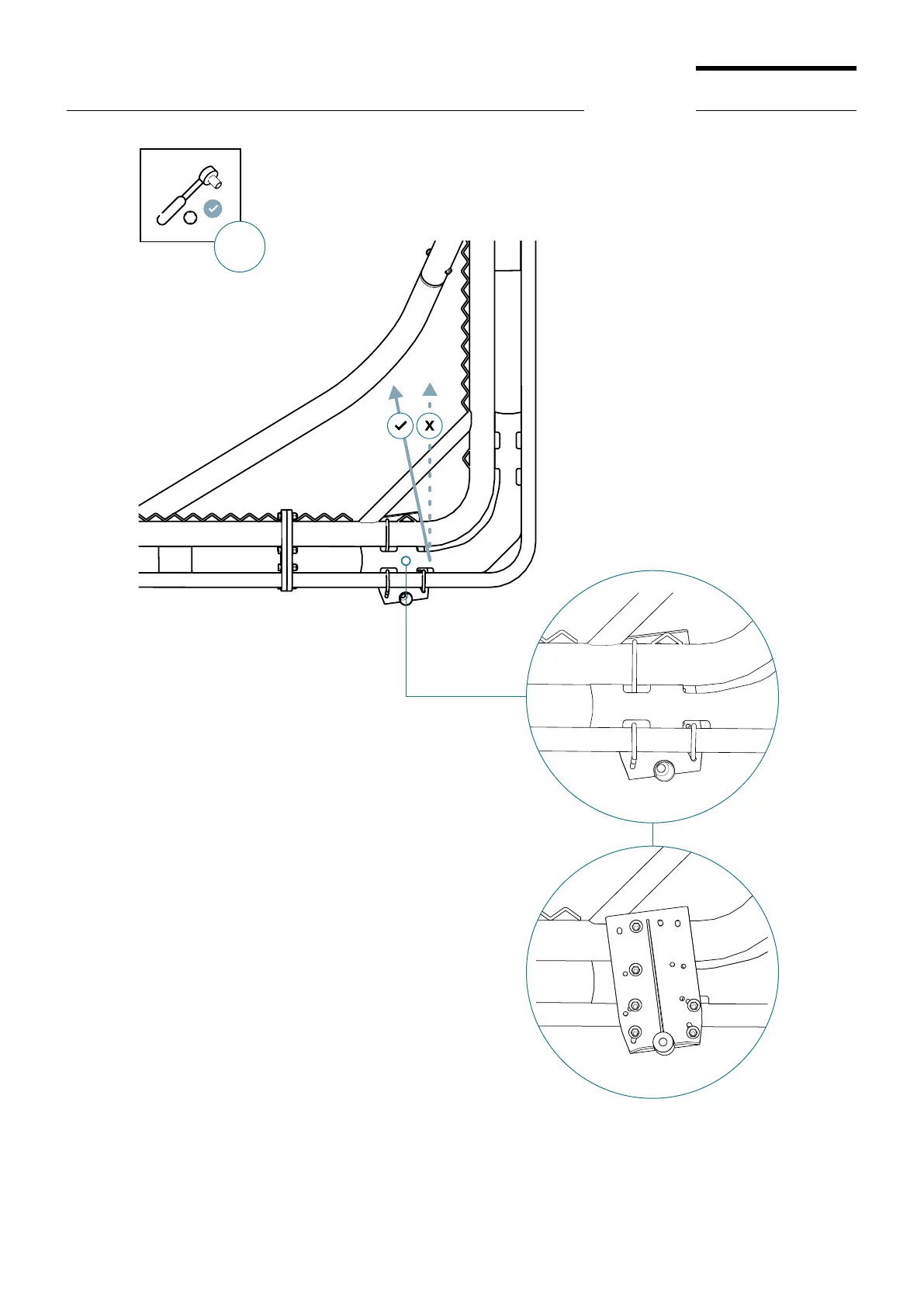
NORTH ATHLETE 19
ASSEMBLY INSTRUCTIONS
10 Nm
BA
B A
9

Related product manuals