EasyManua.ls Logo

North ATHLETE - Page 24

North ATHLETE
39 pages
Print Icon
To Next Page IconTo Next Page
To Next Page IconTo Next Page
To Previous Page IconTo Previous Page
To Previous Page IconTo Previous Page
Loading...
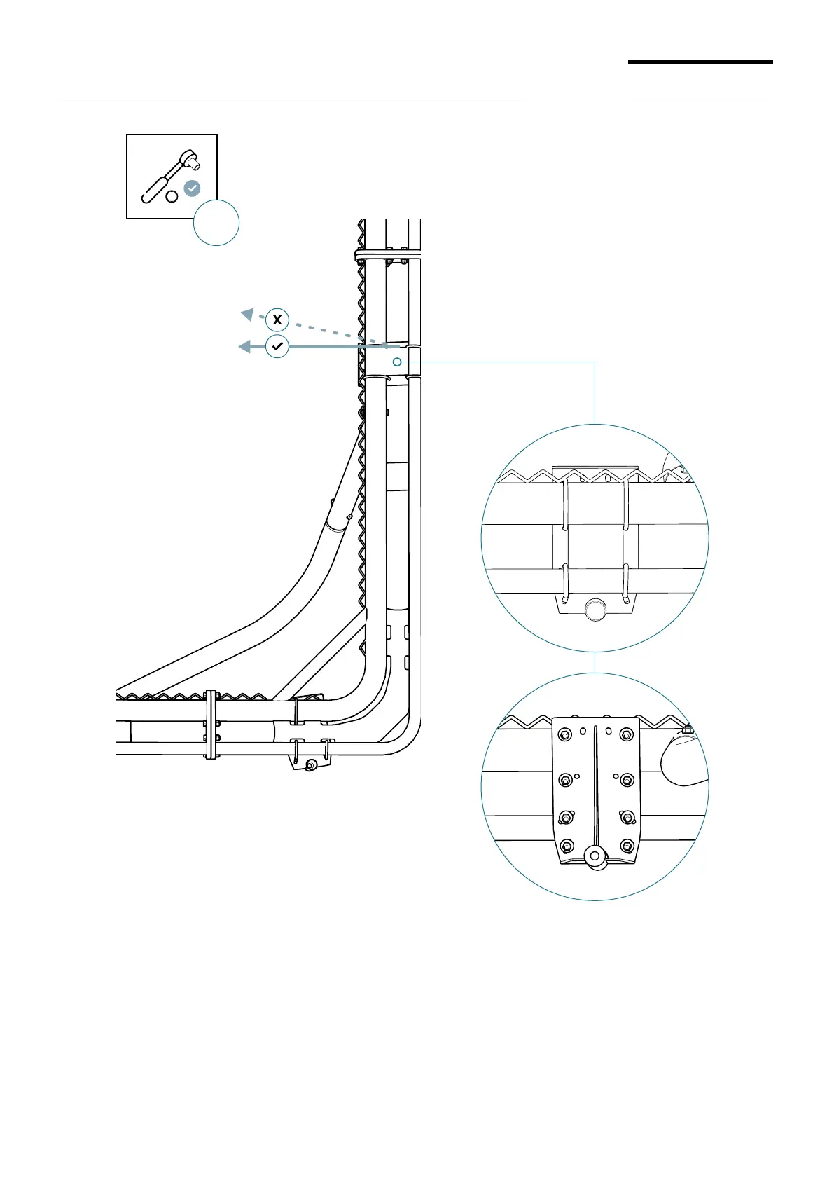
NORTH ATHLETE 21
ASSEMBLY INSTRUCTIONS
C
C
C
C
10
10 Nm

Related product manuals