EasyManua.ls Logo

NuFlo Barton 202E - Page 32

Default Icon
40 pages
Print Icon
To Next Page IconTo Next Page
To Next Page IconTo Next Page
To Previous Page IconTo Previous Page
To Previous Page IconTo Previous Page
Loading...
2
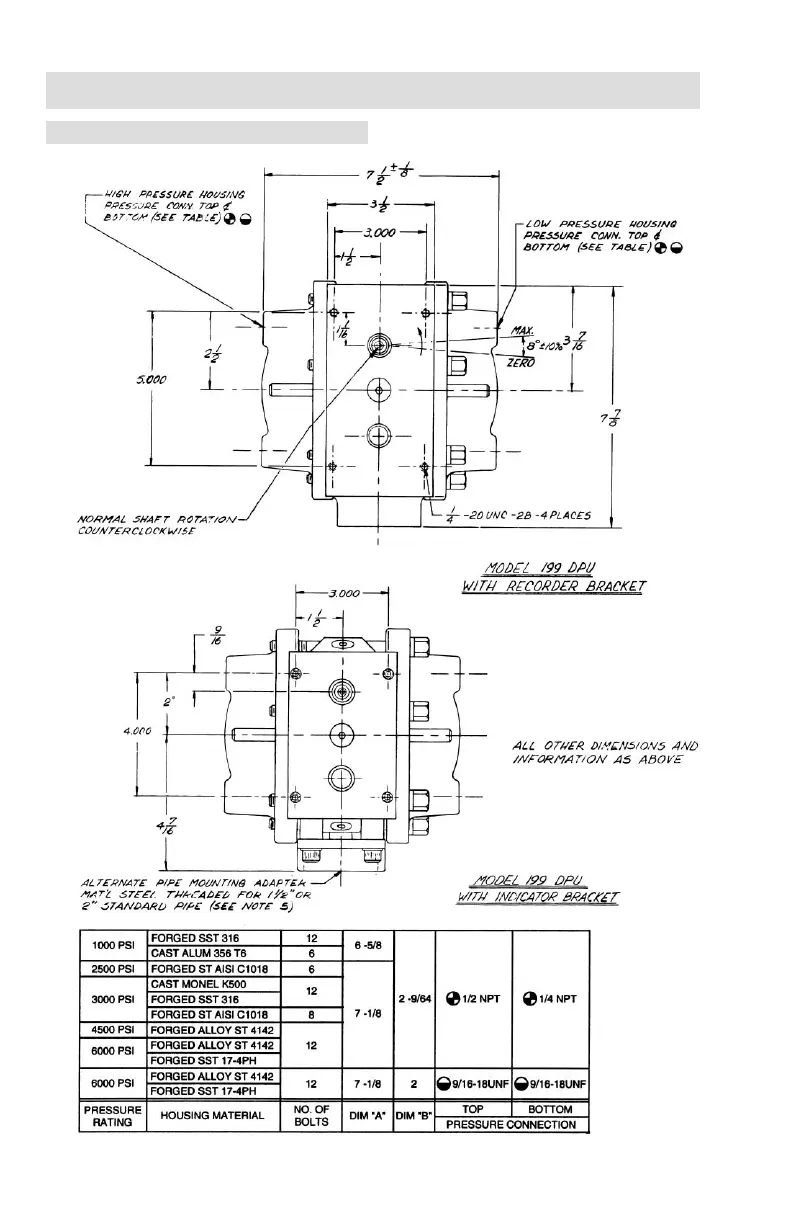
3%#4)/.).34!,,$)-%.3)/.!,$2!7).'3#ONT
-ODEL$05