EasyManua.ls Logo

Numan Drive - Page 81

Numan Drive
Print Icon
To Next Page IconTo Next Page
To Next Page IconTo Next Page
To Previous Page IconTo Previous Page
To Previous Page IconTo Previous Page
Loading...
81
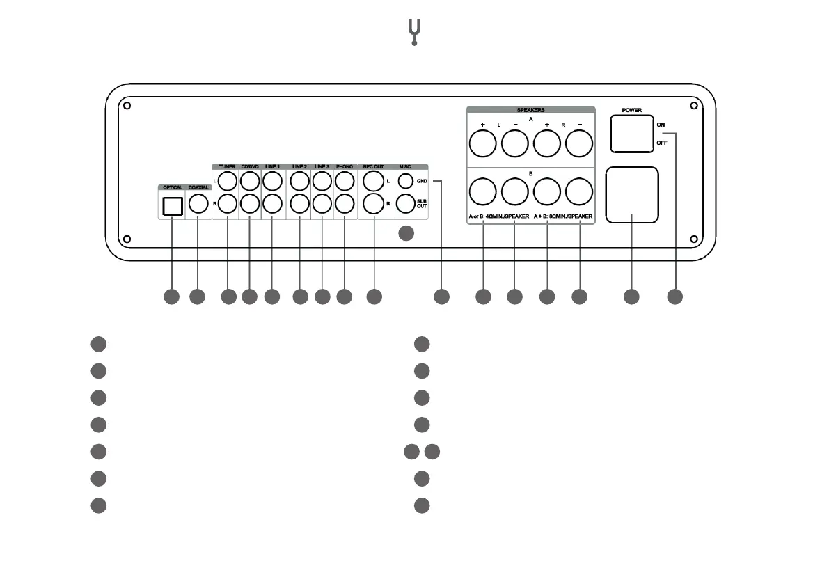
10
OPTICAL INPUT (ingresso ottico)
17
PHONO INPUT (ingresso phono)
11
COAXIAL INPUT (ingresso coassiale)
18
RECORD OUTPUT (uscita registrazione)
12
TUNER INPUT (ingresso radio)
19
SUBWOOFER OUTPUT (uscita subwoofer)
13
CD/DVD INPUT (ingresso RCA)
20
GROUND CONNECTOR (contatto di messa a terra)
14
LINE 1 INPUT (connessione 1 LINE-IN)
21
-
24
Connessioni altoparlanti
15
LINE 2 INPUT (connessione 2 LINE-IN)
25
Connessione di alimentazione
16
LINE 3 INPUT (connessione 3 LINE-IN)
26
On/Off
10 11 12 13 14 15 16 17 18
19
20 21 22 23 24 25 26