EasyManua.ls Logo

Numatic WVD900 - Spare Parts; Wiring Diagram

Numatic WVD900
12 pages
Print Icon
To Next Page IconTo Next Page
To Next Page IconTo Next Page
To Previous Page IconTo Previous Page
To Previous Page IconTo Previous Page
Loading...
NUMBER ITEM NOTES
207124 CARTRIDGE FILTER REPLACEMENT ITEM
207124 (H10) CARTRIDGE FILTER ACCESSORY ITEM
207126 MESH FILTER REPLACEMENT ITEM
502988 FLOAT ASSEMBLY REPLACEMENT ITEM
Spare Parts
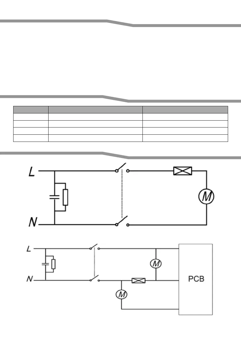
14” WV 570 / 900 - 240V /120V
WD-0245
14” WVD 570 / 900 - 240V /120V
WD-0255
Wiring Diagram
Fault Finding
Dry Mode maintenance/fault fi nding
If the vacuum cleaner stops working switch o󰀨 and remove the plug from the wall before investigating were the fault lies.
If the vacuum cleaner will not pick up any debris from the surface, switch o󰀨 and remove the plug from the wall, inspect
the fl oor tool, wands and hose for blockages, if no blockages are found, the dust bag may be full if the dust bag is not full
the  lter may be blocked.
Wet mode
If the vacuum cleaner stops working switch o󰀨 and remove the plug from the wall before investigating were the fault lies.
If the vacuum cleaner has a blockage and will not pick up liquid, switch o󰀨 and remove the plug from the wall, has the
oat valve operated, this will shut o󰀨 the suction and the pitch of the vacuum motor will change.
Remove the power head and empty the liquid out of the container, if the container is empty, check that the fl oor tool
wands and hose are not blocked.
Flush the system with clean water after use.
After use always inspect the machine for damage.

Related product manuals