Home
NUOMAN
Excavators
NM-E10 MINI
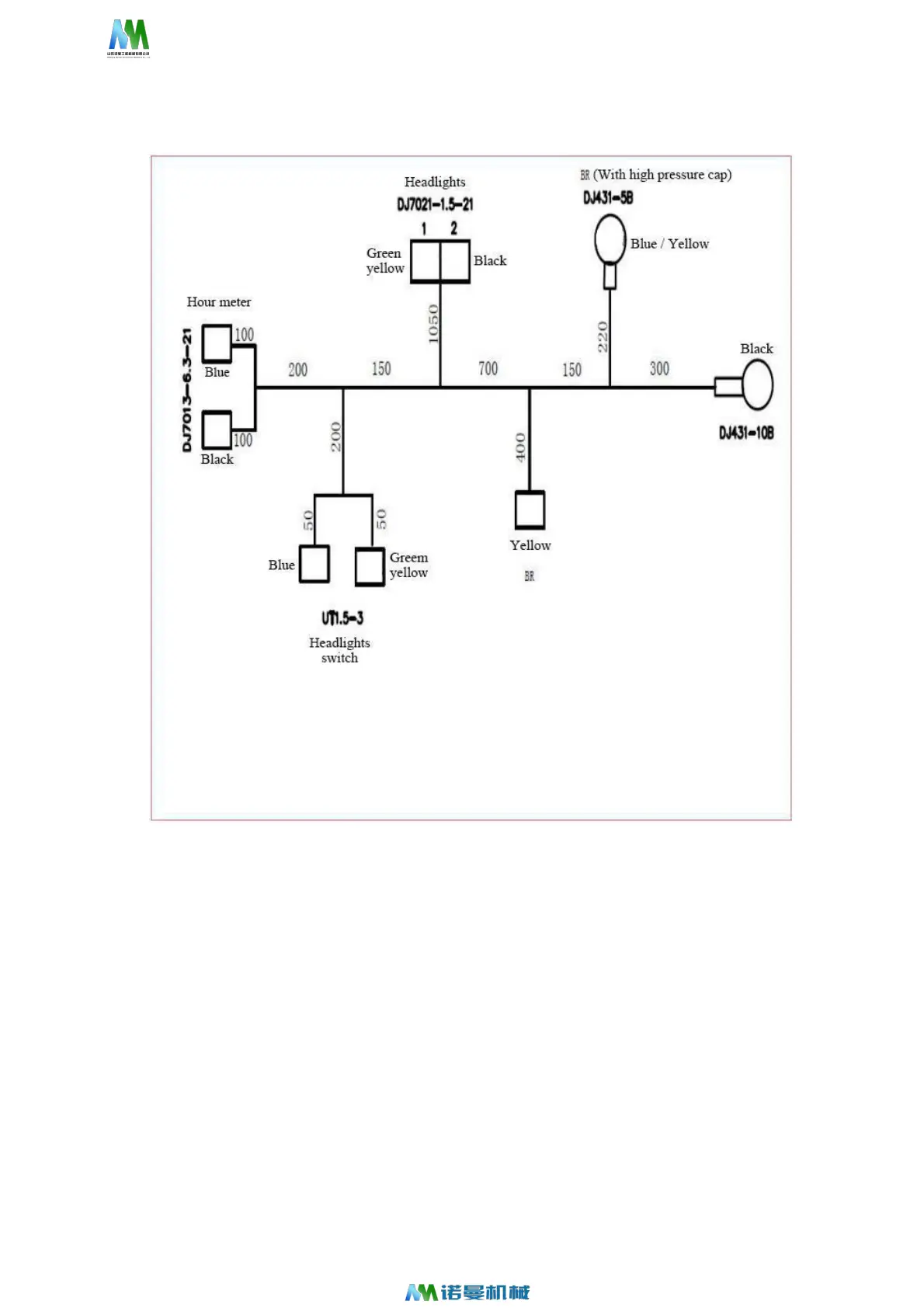
Page 30 (Section V. Electrical System Diagram)
NUOMAN NM-E10 MINI - Section V. Electrical System Diagram
65 pages
Manual
Save Page as PDF
To Next Page
To Next Page
To Previous Page
To Previous Page
Loading...
Shandong
Nuoman
Engineer
ing
Machinery
Co.,Ltd
Bu
sine
ss
Ro
om
,
N
o.
7,
Zh
ong
sh
an
Wes
t
Roa
d,
Gu
lou
S
tree
t
O
ffic
e,
Yan
zho
u
Di
st.,
Jin
ing
,
Sh
an
don
g,
CN
TE
L/F
ax:
+86
18
266
821
66
7
Wh
at
sapp
/W
ech
at
:
+86
182
66
821
667
Section
V.
Ele
ctrical
system
diagr
am
29
31
Table of Contents
Main Page
Safety First
3
Safe Operation
4
Before Operation
4
After Operation
7
Maintenance
7
Danger, Warning Andcaution Labels
10
Pinch Points
11
Troubleshooting
11
Operation in Cold Weather Conditions
13
Long Storage
14
Should the Excavator be Stored for a Longer Period of Time, Observe Following Procedures
15
Observe Following Procedures When the Machine Is to be Operated after Long Storage
15
Traveling Motor
26
Section V. Electrical System Diagram
30
Section II Preparation for Work
31
Section IV Operational Precautions
34
Operational Conditions
51
Section I General
52