EasyManua.ls Logo

NuTone NM100WH - Page 27

NuTone NM100WH
32 pages
Print Icon
To Next Page IconTo Next Page
To Next Page IconTo Next Page
To Previous Page IconTo Previous Page
To Previous Page IconTo Previous Page
Loading...
MODELO NM100WH
Página 27
3. Conecte un cable puente desnudo (un cable para altavoz calibre
22 funciona bien) entre las terminales S3 y S4.
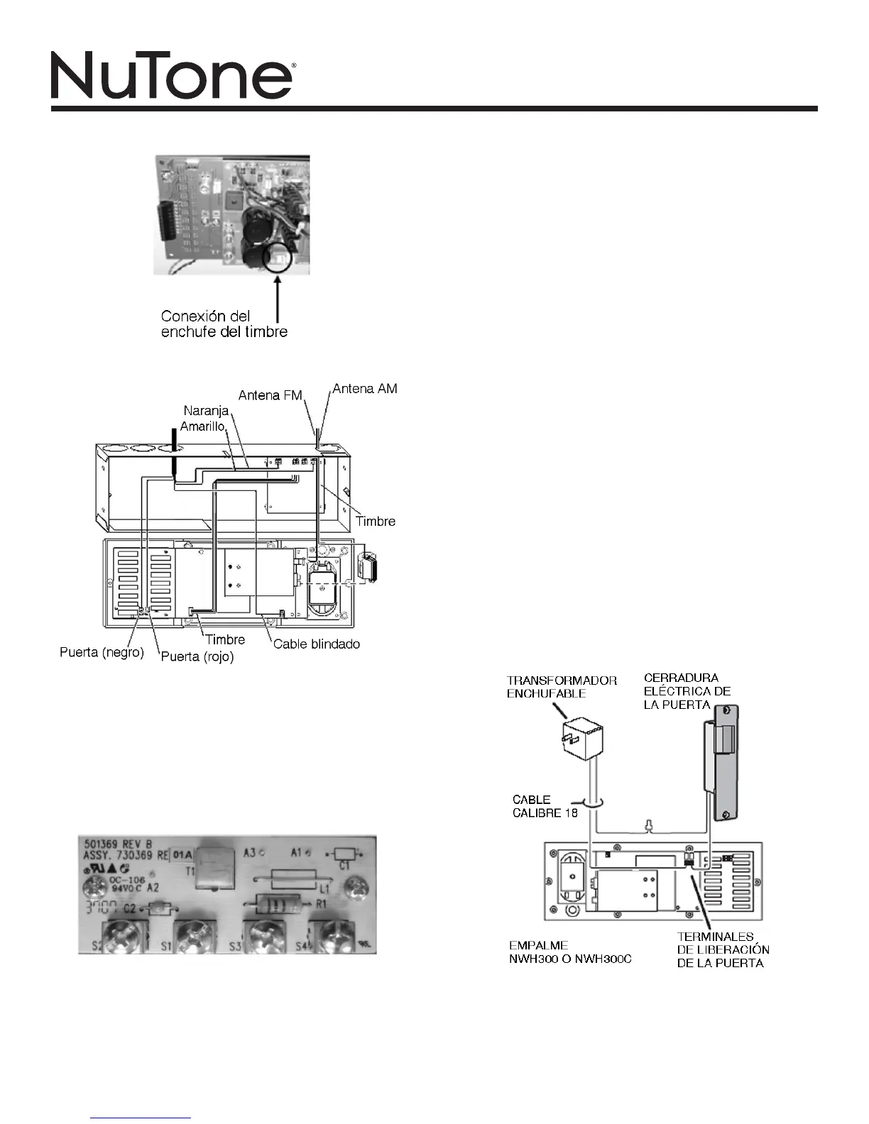
SigalospasosacontinuaciónparaconectarunsistemadeantenaAM/
FM separado con un cable de antena AM naranja y un conductor FM de
doble hilo FM de 300 ohmios.
1. Conecte los conductores de doble hilo FM a las terminales S1 y S2
de la placa
2. Conecte la antena AM (cable naranja) a la terminal S4
3. LaterminalS3noseutilizaenestaconguración
Sigalospasosacontinuaciónparaconectarunsistemaúnicodeantena
de cable naranja
1. Conecte el cable naranja a la terminal S1 o a la S2. Nota: No conecte
elcablealasdosterminalesS1yS2,pueshacerlopondráencorto
circuito la señal de la antena FM.
2. Conecte un cable puente desnudo (un cable para altavoz calibre
22 funciona bien) entre las terminales S3 y S4.
OPCIONES DE LIBERACIÓN DE PUERTA
La opción de liberación de puerta es un cierre de contacto seco
suministrado por la unidad maestra NM100. Este contacto seco tiene
una capacidad nominal de 24 V y 2 A. Las aplicaciones de muestra que
aparecenacontinuaciónrepresentanalgunosusosparaestaopción.
Sinembargo,sepuedeutilizarunasolaaplicaciónalavezencualquier
sistema NM100.
MECANISMO DE LIBERACIÓN DE PUERTA O REJA
Tienda una línea única de cable de bajo voltaje aprobado de par
trenzadoencobresólido,calibre18,desdeelempalmedelNWH300o
NWH300Chastaelmecanismodeliberacióndelapuerta.Conectelos
doscablesdesdeelcabledecobresólidocalibre18alasdosterminales
delcabledelmecanismodeliberacióndelapuerta.
Tienda otra línea única de cable de bajo voltaje aprobado de par trenzado
encobresólido,calibre18,desdelaubicacióndelempalmeNWH300
o NWH300C a la caja de toma única junto al receptáculo de 120 VCA
endondeseenchufaráeltransformadordeliberacióndelapuerta/reja
remota. Etiquete y asegure todos los cables en el empalme.
CONEXIÓN DE LA ANTENA
Separe los cables del interfono de los conductores de la antena; si están
agrupados,loscablesdelinterfonopuedenblindarlosconductoresde
laantenayocasionarunarecepcióndecientedelradio.Mantengalos
conductores de la antena alejados de conductos metálicos y aislantes de
aluminioreforzado,pueséstostambiénpuedenblindarlosconductores
de la antena.
Lacantidadyestilodeconductoresdelaantenavaría,dependiendodel
sistema de interfono que se va a reemplazar. El sistema NM100 está
diseñadoparautilizarlaantenaexistente.Consultelagurasiguiente.
Sigalospasosacontinuaciónparaacoplarlaantenadeconductorde
dos hilos y 300 ohmios de NuTone al NM100.
Silaantenatieneunenchufeenelextremo,córtelo.
1. Quite el aislamiento de los dos extremos de los hilos
2. Conecte los extremos del cable a las terminales S1 y S2 en la placa
de la antena
Conecte los cables RCA del reproductor NC300 opcional y el cable
de control. Consulte las instrucciones adicionales incluidas con el CD
NC300

Other manuals for NuTone NM100WH

Related product manuals