EasyManua.ls Logo

NuTone NM100WH - Door Release Functionality; Door or Gate Release Mechanism

NuTone NM100WH
32 pages
Print Icon
To Next Page IconTo Next Page
To Next Page IconTo Next Page
To Previous Page IconTo Previous Page
To Previous Page IconTo Previous Page
Loading...
MODEL NM100WH
Page 7
3. Connect a bare jumper wire (a 22 gauge speaker wire works
well) between the S3 and S4 terminals.
Follow the steps below to attach a separate AM/FM antenna system
with 300 Ohm FM twin lead and orange AM antenna wire:
1. Connect the FM twin leads to terminal S1 and S2 on the board
2. Connect the AM antenna (orange wire) to terminal S4
3. TerminalS3isnotusedinthisconguration
Follow the steps below to connect a single orange wire antenna
system:
1. Connect the orange wire to either S1 or S2. Note do not connect
the wire to both S1 and S2 doing this will short out the FM
antenna signal.
2. Connect a bare jumper wire (a 22 gauge speaker wire works
well) between the S3 and S4 terminals.
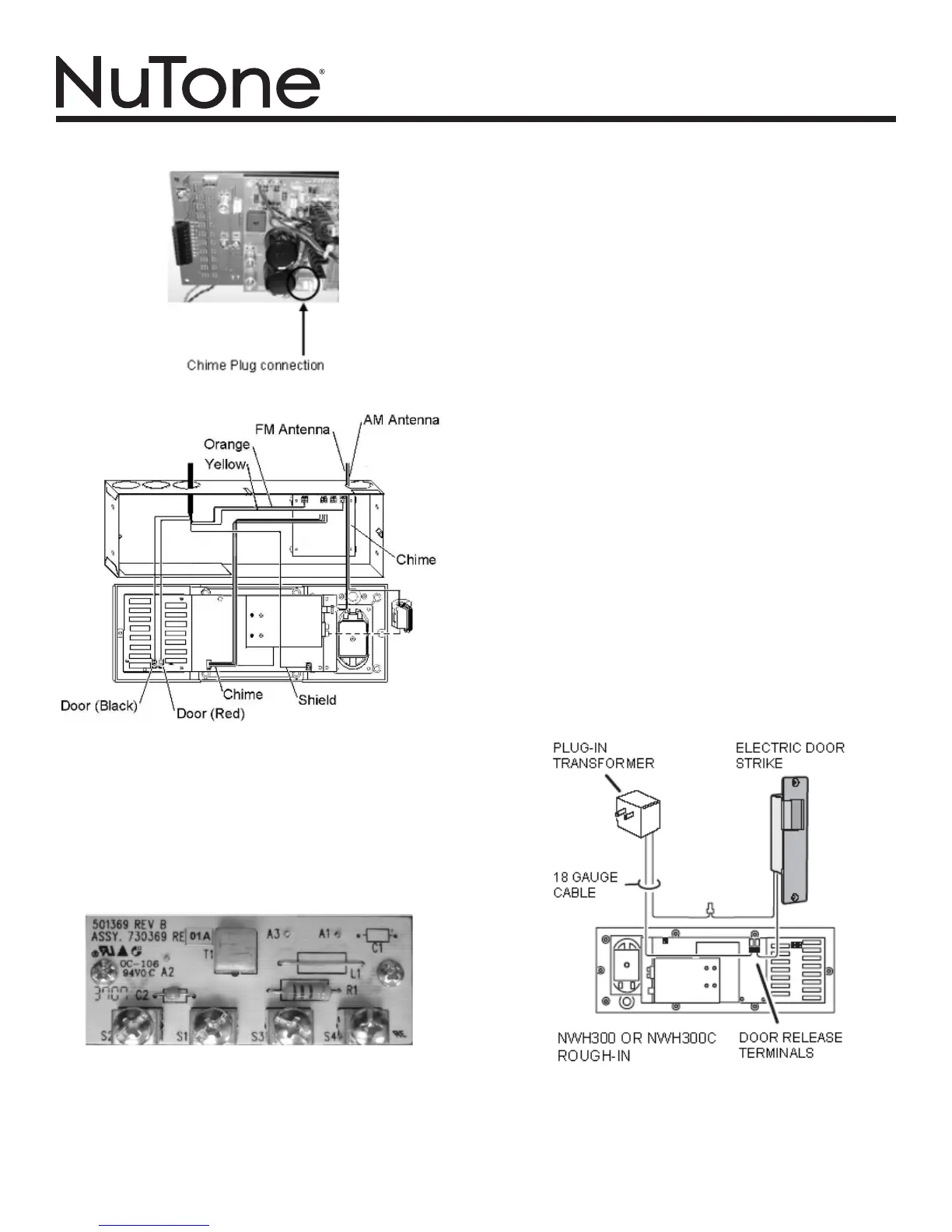
DOOR RELEASE OPTIONS
The door release option is a dry contact closure provided by the
NM100 master. This dry contact is rated 24 Volt/2 Amps. The sample
applicationsbelow represent some uses of this option. However,
only one application can be used in any NM100 system at a time.
DOOR OR GATE RELEASE MECHANISM
Runasinglelineof18gaugesolidcopper,twistedpairapproved
low voltage cable from the NWH300 or NWH300C rough-in to the
door release mechanism. Connect the two wires from the 18 gauge
solid copper cable to the two wire terminals of the door release
mechanism.
Connect the optional NC300 player RCA cables and control wire.
See additional instructions packed with the NC300 CD changer.
Run another single line of 18 gauge solid copper, twisted pair
approved low voltage cable from the NWH300 or NWH300C rough-
in location to a gang box next to a 120VAC receptacle where the
remote door/gate release power transformer will be plugged in.
Label and secure cables at the rough-in.
CONNECTING THE ANTENNA
Separatethe intercomcables fromtheantenna leads,if grouped
together the intercom cables can shield the antenna leads resulting
in poor radio reception. Keep the antenna leads away from metal
ductwork and aluminum backed insulation. These can also shield
the antenna leads.
The number and style of antenna leads will vary based on the
intercom system being replaced. The NM100 system is designed to
usetheexistingantenna.Seenextgure.
Follow the steps below to attach a NuTone 300 Ohm twin lead
antenna to the NM100.
Iftheantennahasaplugontheend,cuttheplugoff
1. Strip the 2 wire ends
2. Connect the wire ends to terminal S1 and S2 on the antenna
board

Other manuals for NuTone NM100WH

Related product manuals