EasyManua.ls Logo

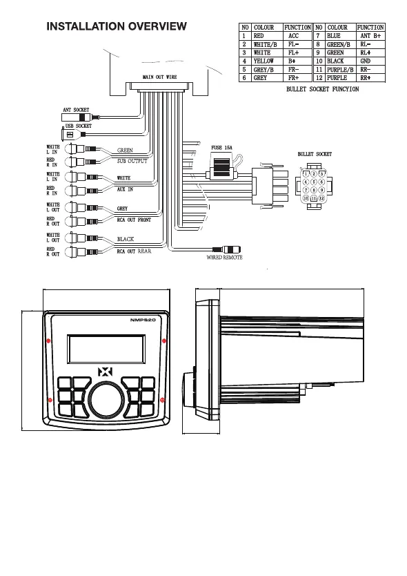
NVX NMPS20 - Installation Overview; Wiring Diagram

NVX NMPS20
11 pages
Print Icon
To Next Page IconTo Next Page
To Next Page IconTo Next Page
To Previous Page IconTo Previous Page
To Previous Page IconTo Previous Page
Loading...
WARNING!
Before installing this unit onto any panel, ALWAYS ensure that there is
sufficient clearance behind the panel and that no wiring harnesses,
fuel lines, or any other critical components are exposed or damaged
by the installation. NEVER risk damaging the when cutting your
opening.
4
4.5 in
4.1 in
0.8 in
1.2 in
4.9 in
REAR
BLACK
SUB OUTPUT
WIRED REMOTE
GREEN

Related product manuals