EasyManua.ls Logo

Oasis P1PVCDKY - Technical Specifications; Product and Filter Dimensions; Electrical Specifications; Wiring Diagram

Oasis P1PVCDKY
14 pages
Print Icon
To Next Page IconTo Next Page
To Next Page IconTo Next Page
To Previous Page IconTo Previous Page
To Previous Page IconTo Previous Page
Loading...
P1PVKY / P1PVCDKY
Installation & Service Instructions
030099-347 pg 2 of 14 © Copyright 2007 OASIS Corporation
Technical Specification
Pre-Delivery Inspection
Filter Installation
Cooler Installation
General Troubleshooting Guidelines
Cleaning and Sanitising Instructions
Technical Specification
Product Dimensions:
Height: 1,110 mm
Width: 320 mm
Depth: 345 mm
Net Weight: 23 kg
Filter Compartment:
Height: 560 mm
Width: 260 mm
Depth: 120 mm
Electrical Specification:
Power supply: 220 / 240V, 50 Hz
Power consumption: 100 Watts
Current: 0.8 Amps
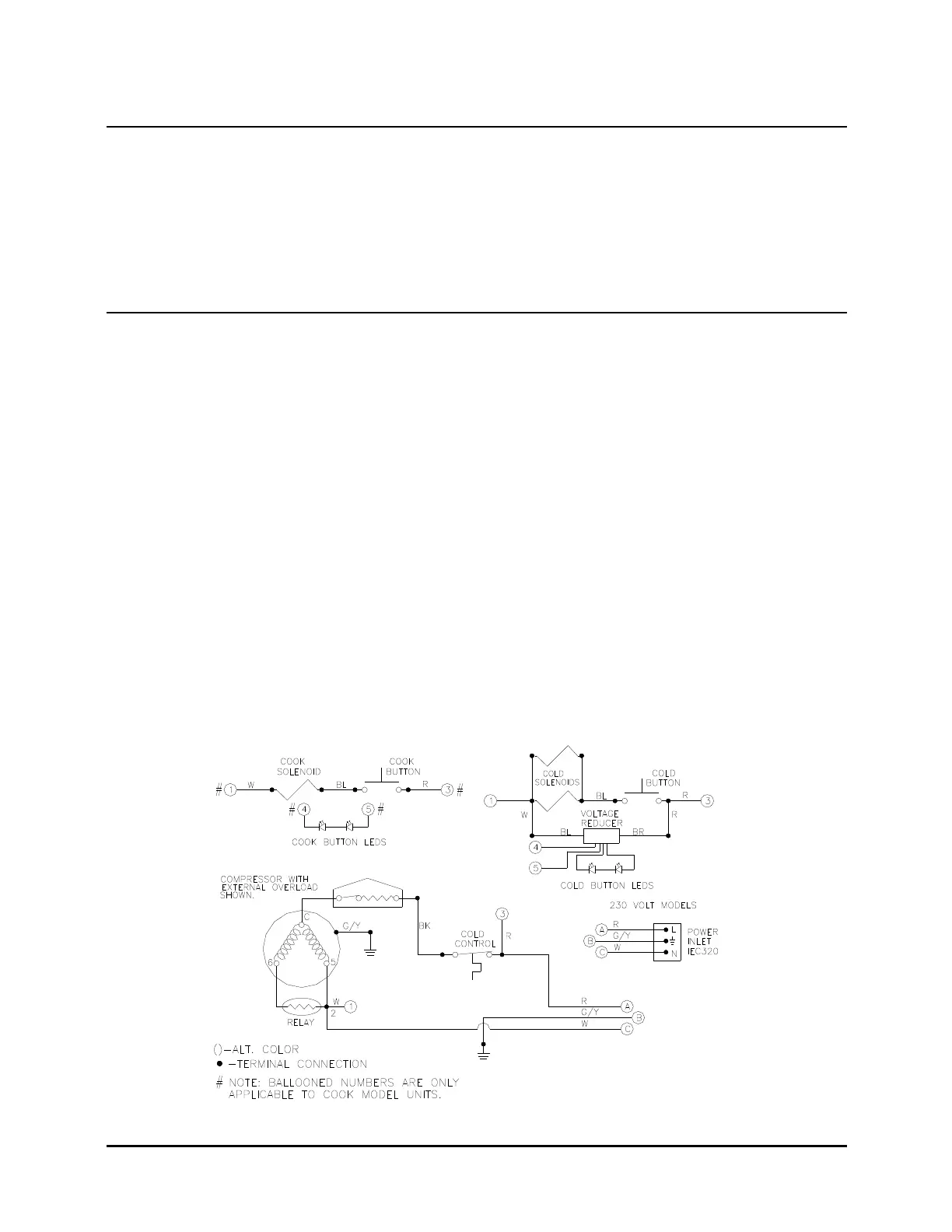
Wiring Diagram:

Related product manuals