EasyManua.ls Logo

ODES WORKCROSS UTV650 - Page 82

Default Icon
231 pages
Print Icon
To Next Page IconTo Next Page
To Next Page IconTo Next Page
To Previous Page IconTo Previous Page
To Previous Page IconTo Previous Page
Loading...
6.ELECTRICAL SYSTEM
6-2
Electrical
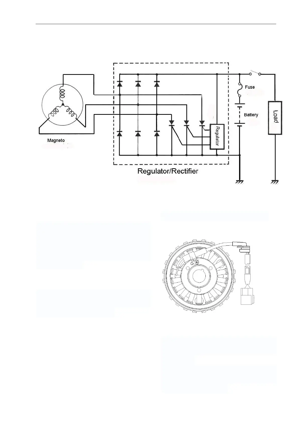
Charging system
GENERAL
SYSTEM DESCRIPTION
The purpose of the charging system is to
keep the battery at a full state of charge
and to provide the electrical system with
the required electrical power for normal
vehicle operation.
Magneto
The magneto is the primary source of
electrical energy. It transforms magnetic
field into electric current (AC).
The magneto has a 3 phase series stator.
Voltage Regulator/Rectifier
The rectifier receives AC current from the
magneto and transforms it into direct
current (DC).
The voltage regulator, included in the same
unit, limits voltage to prevent any damage
to electrical components.

Related product manuals