EasyManua.ls Logo

Oliver 641 - Tables

Default Icon
35 pages
Print Icon
To Next Page IconTo Next Page
To Next Page IconTo Next Page
To Previous Page IconTo Previous Page
To Previous Page IconTo Previous Page
Loading...
0641S20012 10-1
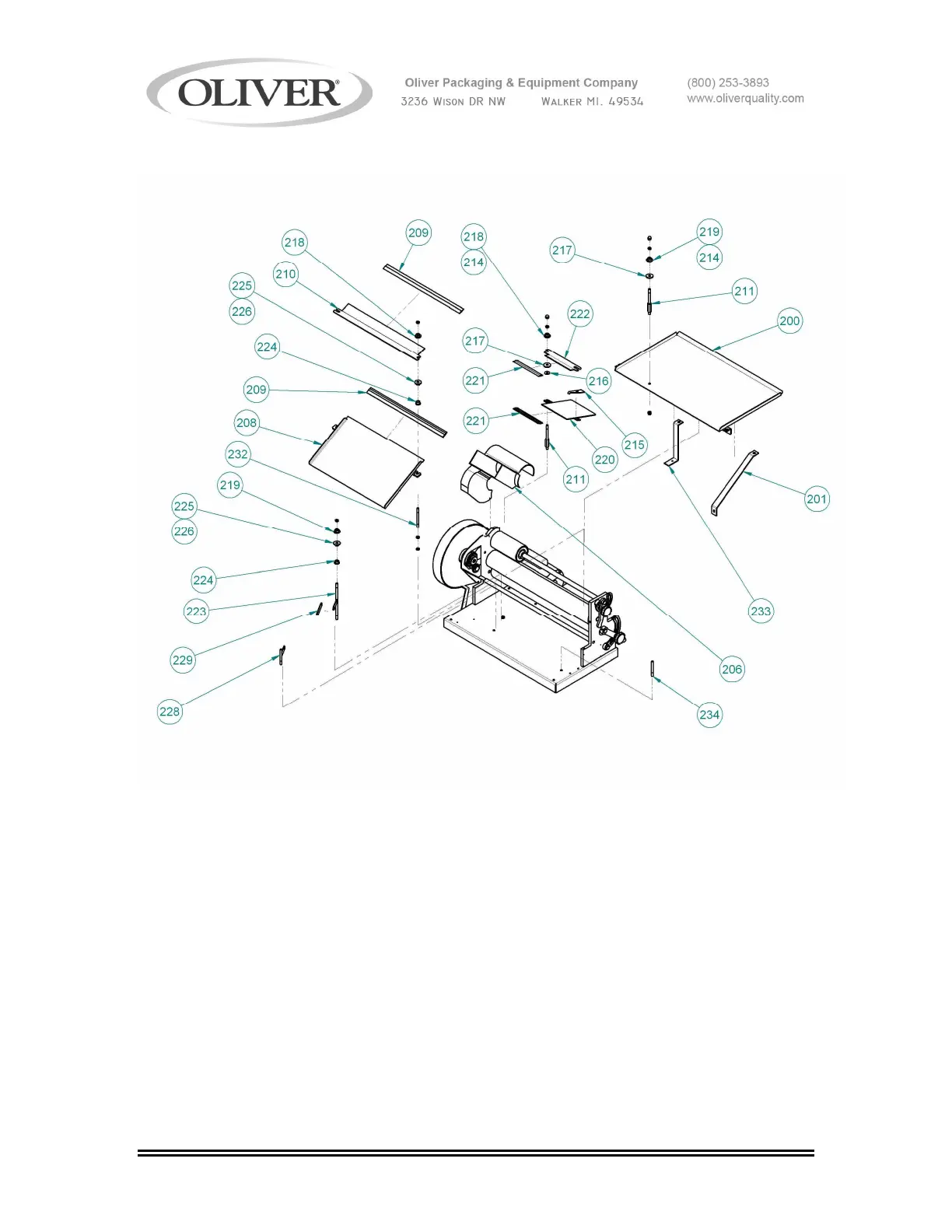
TABLES

Related product manuals