EasyManua.ls Logo

OMA 526 - Hydraulic Circuit Diagram; Hydraulic Circuit Components

OMA 526
53 pages
Print Icon
To Next Page IconTo Next Page
To Next Page IconTo Next Page
To Previous Page IconTo Previous Page
To Previous Page IconTo Previous Page
Loading...
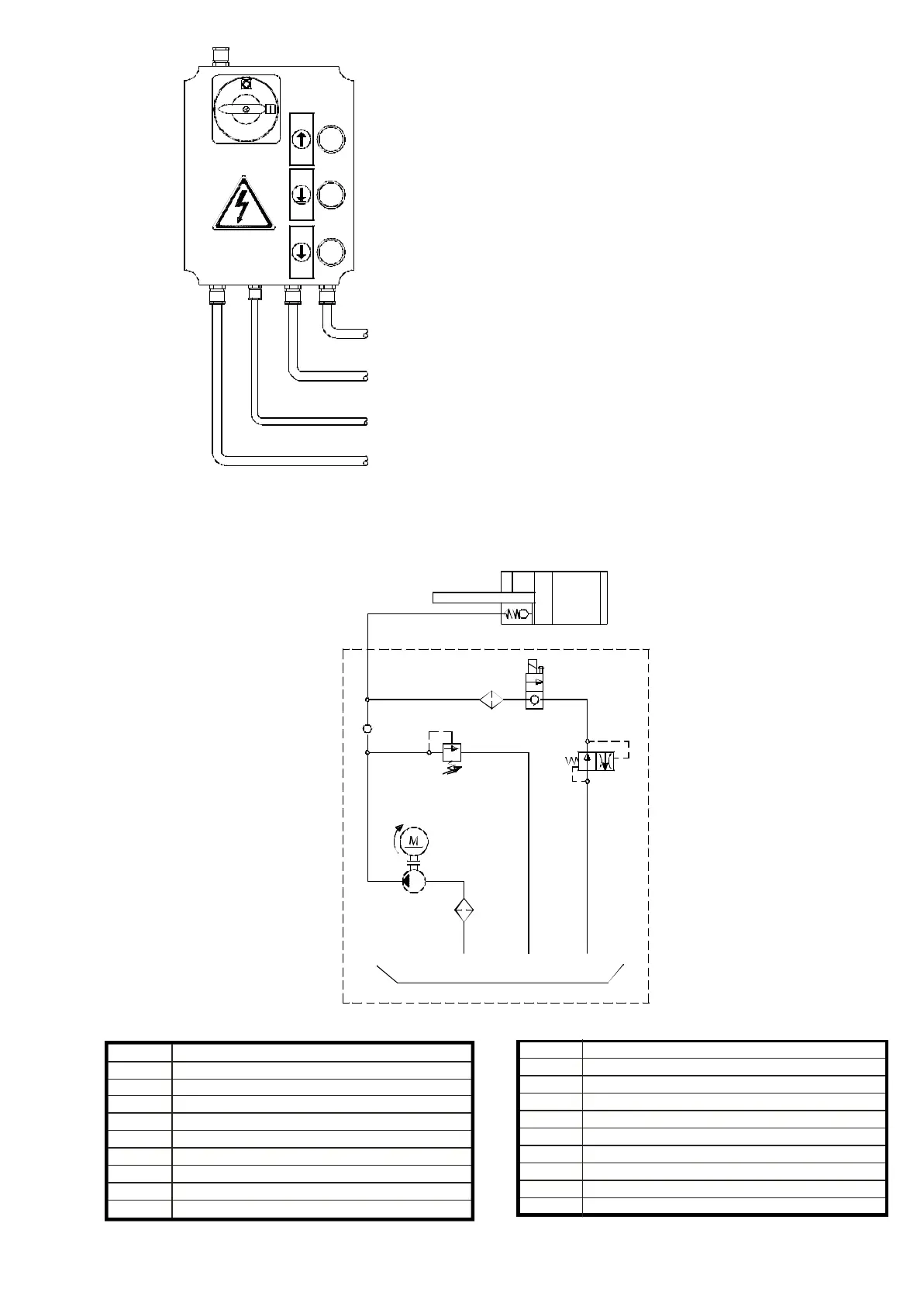
SCHEMA OLEODINAMICO
Rif. Descrizione
1 Val vo la pa ra ca du te
2 Elet tro val vo la
3 Val vo la di ri te gno
4 Val vo la di mas si ma
5 Val vo la di stroz za men to
6 Mo to re
7 Pom pa
8 Fil tro
9 Ser ba toio
HYDRAULIC CIRCUIT DIAGRAM
Re. Description
1 Pa ra chu te val ve
2 So le noid val ve
3 Check val ve
4 Re lief val ve
5 Thrott le val ve
6 Mo tor
7 Pump
8 Fil ter
9 Re ser voir
TIPI DI VEICOLI SOLLEVABILI E INGOMBRI
13
1
4
7
2
53
6
8
9
2
Mo to re + pro te zio ne ter mi ca mo to re - Mo tor and ther mal switch (8-9)
Fi ne cor sa - Li mit switch (3-4)
Elet tro val vo la - So le noid valve (0-7)
Elet tro ma gneti - Elec tro ma gnet (0-5) (0-6)
Micro in ter rut to ri fune and ON/OFF switch for bro ken or slac ken rope (1-02) (1-2)

Related product manuals