EasyManua.ls Logo

Omcan Imbera G372 - Page 86

Default Icon
100 pages
Print Icon
To Next Page IconTo Next Page
To Next Page IconTo Next Page
To Previous Page IconTo Previous Page
To Previous Page IconTo Previous Page
Loading...
86
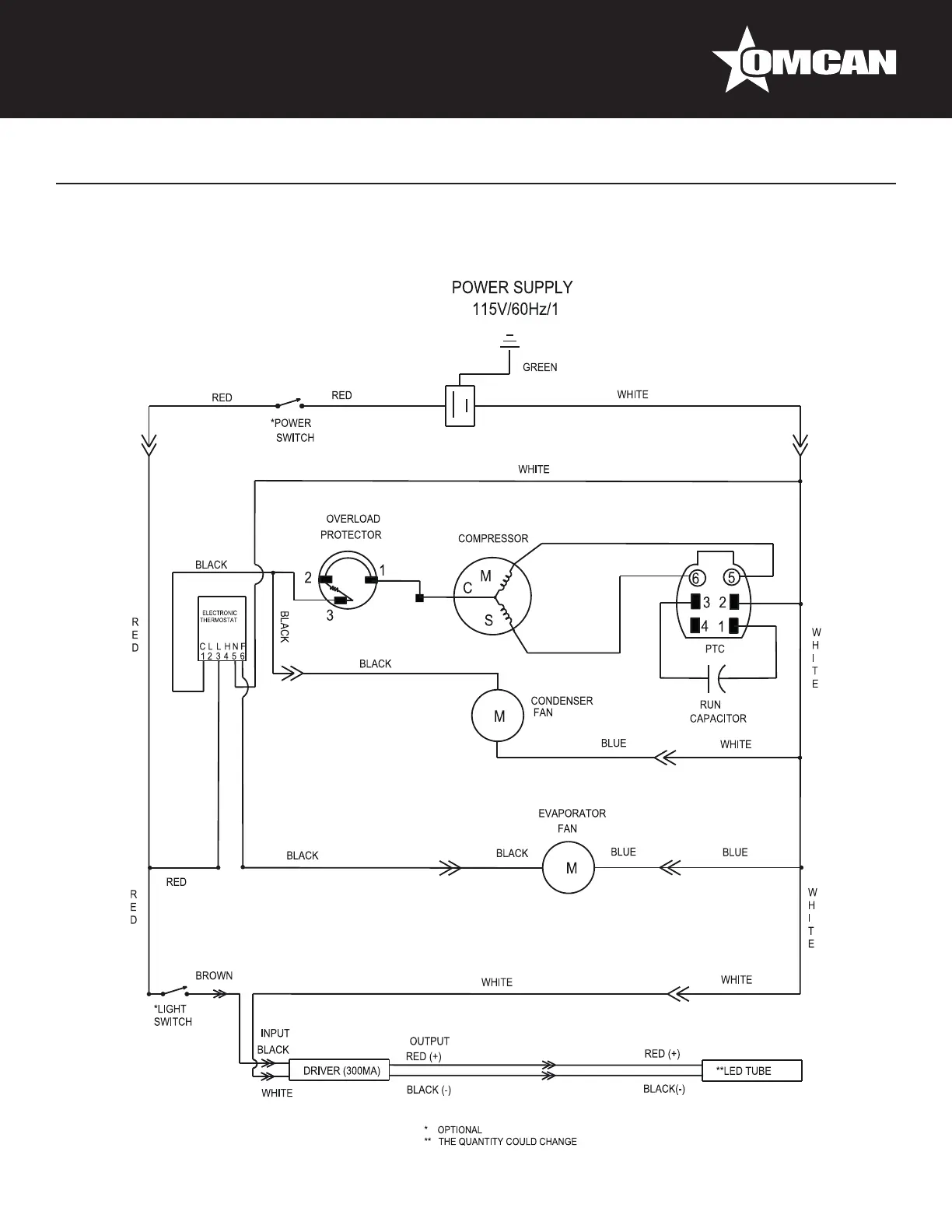
Electrical Schematics
Model VR06 41214

Related product manuals