EasyManua.ls Logo

Omcan Imbera VR06 - G372;G372 BLACK Electrical Diagram

Default Icon
100 pages
Print Icon
To Next Page IconTo Next Page
To Next Page IconTo Next Page
To Previous Page IconTo Previous Page
To Previous Page IconTo Previous Page
Loading...
93
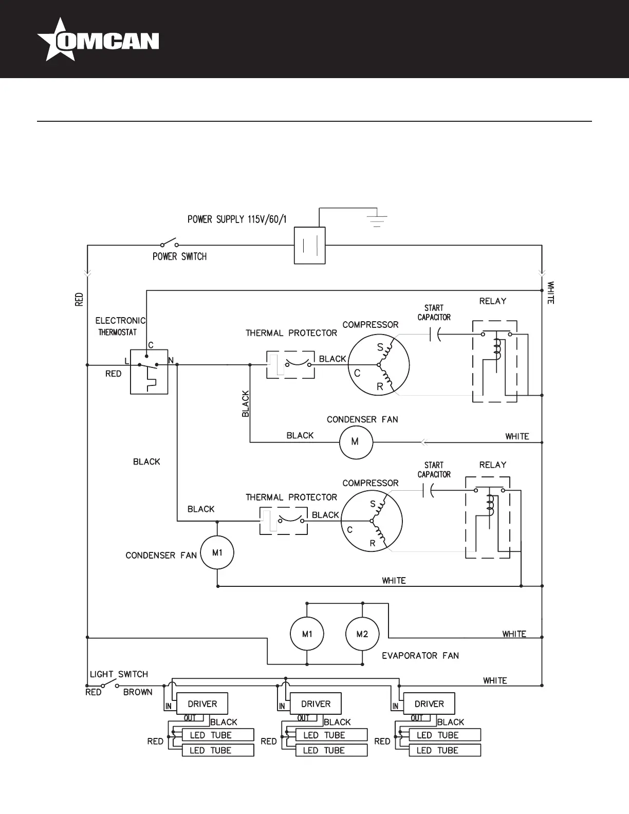
Electrical Schematics
Model G372 41220
Model G372 BLACK 45250

Related product manuals