EasyManua.ls Logo

Omcan Imbera VR08 - Page 93

Omcan Imbera VR08
100 pages
Print Icon
To Next Page IconTo Next Page
To Next Page IconTo Next Page
To Previous Page IconTo Previous Page
To Previous Page IconTo Previous Page
Loading...
93
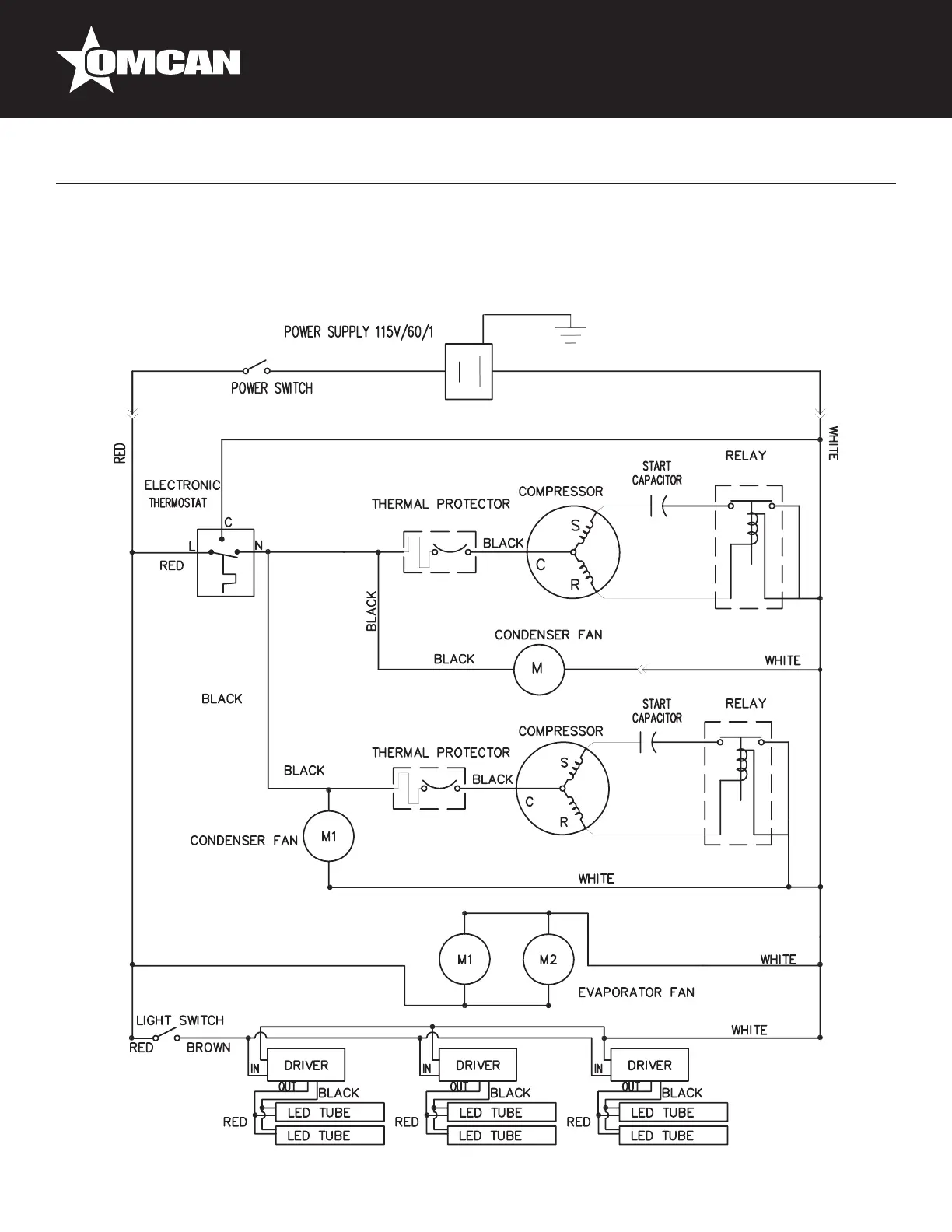
Electrical Schematics
Model G372 41220
Model G372 BLACK 45250

Related product manuals