EasyManua.ls Logo

Omicron CT SB2 - Page 18

Omicron CT SB2
28 pages
To Next Page IconTo Next Page
To Next Page IconTo Next Page
To Previous Page IconTo Previous Page
To Previous Page IconTo Previous Page
Loading...
Getting Started with CT Analyzer & CT SB2
18 OMICRON
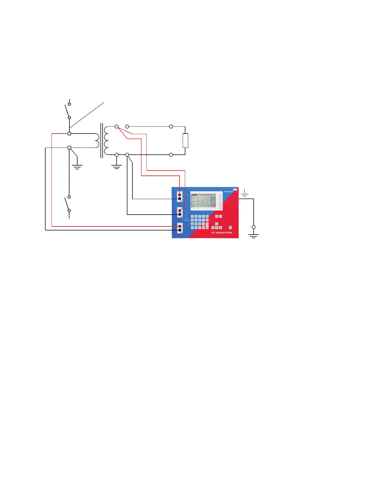
5. Connect the red "Output" socket and the red socket of input "Sec" of the CT Analyzer to the other
(ungrounded) terminal on the secondary side of the CT.
Figure 3-1: Basic wiring for a CT test
Note: The CT may make humming or buzzing noises of varying frequency during the CT test. This is
completely normal and does not indicate a defective CT.
Utility line
Prevent coupling of interferences into the primary circuit (e.g. by disconnecting the utility line,
switching off the breaker, etc). Coupling of interferences into the ungrounded connection influences
the measurement results.
The side that is able
to receive more
interferences has to
be connected to PE.

Other manuals for Omicron CT SB2

Related product manuals