EasyManua.ls Logo

Omnitronic LS-622A - Page 31

Omnitronic LS-622A
Print Icon
To Previous Page IconTo Previous Page
To Previous Page IconTo Previous Page
Loading...
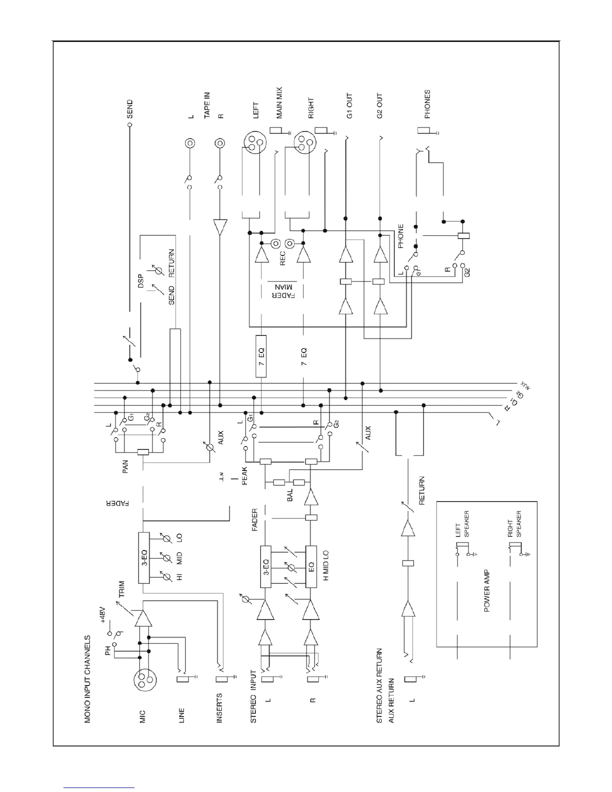
Block diagram
00026389.DOC, Version 1.1
31/31

Related product manuals