EasyManua.ls Logo

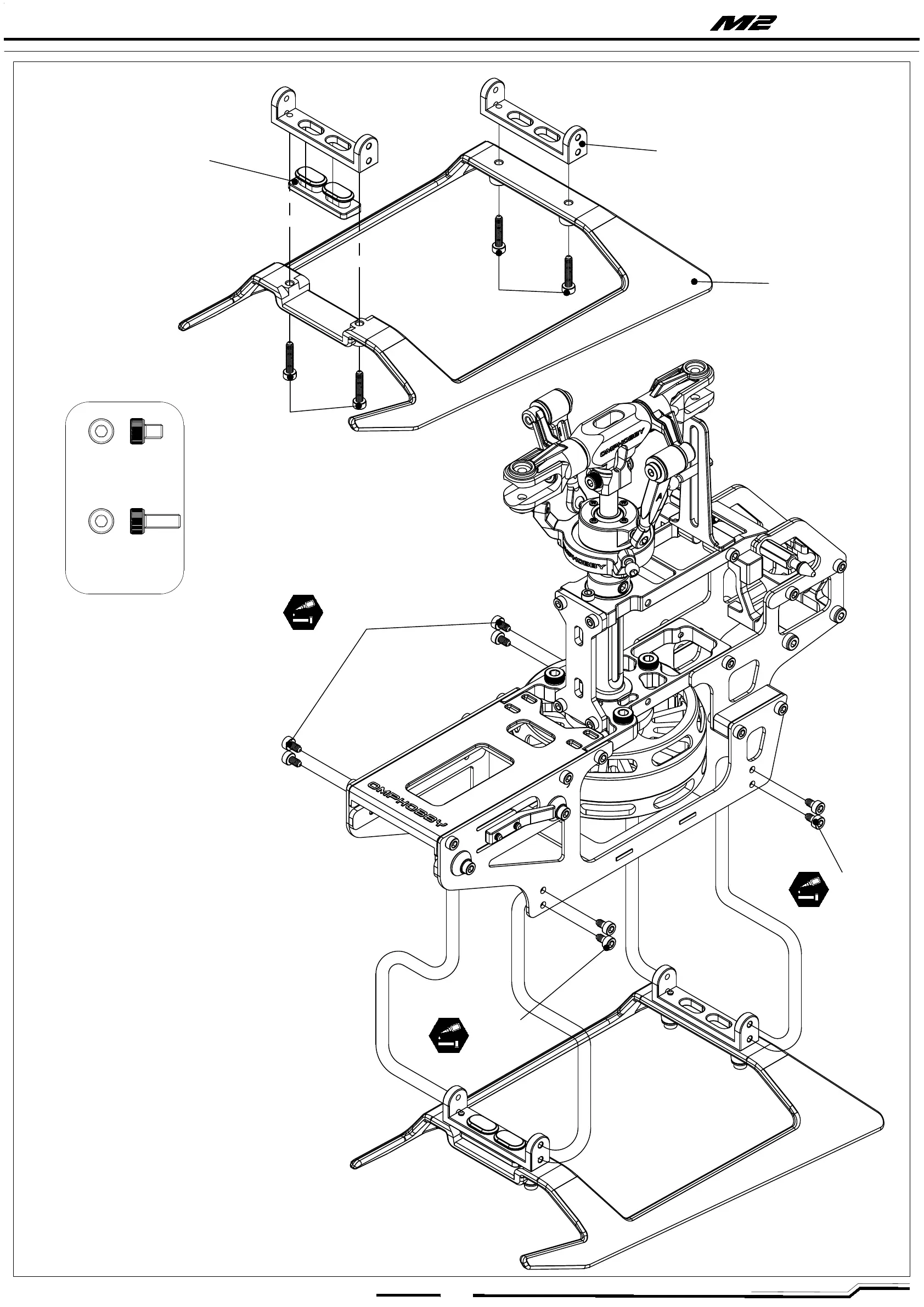
OMP Hobby M2 Explore - Assembly Step 6: Landing Skid; Landing Skid Mount Installation; Landing Skid Attachment

OMP Hobby M2 Explore
25 pages
Print Icon
To Next Page IconTo Next Page
To Next Page IconTo Next Page
To Previous Page IconTo Previous Page
To Previous Page IconTo Previous Page
Loading...
11
EN
WWW.OMPHOBBY.COM
step 6 步骤六
圆柱头内六角螺丝
(M1.6x3mm)x8
圆柱头内六角螺丝
(M1.6x8mm)x4
Socket screw
Socket screw
脚架
Landing skid
脚架固定座
Landing skid mount
圆柱头内六角螺丝
M1.6x3mm
Socket screw
圆柱头内六角螺丝
M1.6x3mm
Socket screw
圆柱头内六角螺丝
M1.6x3mm
Socket screw
机头罩脚架防松垫
圆柱头内六角机械螺丝
M1.6x8mm
Hexagon socket head
machine screw
圆柱头内六角机械螺丝
M1.6x8mm
Hexagon socket head
machine screw
-EXPLORE

Related product manuals