EasyManua.ls Logo

Omron C200HE-CPU42 - Page 141

Omron C200HE-CPU42
241 pages
Print Icon
To Next Page IconTo Next Page
To Next Page IconTo Next Page
To Previous Page IconTo Previous Page
To Previous Page IconTo Previous Page
Loading...
Appendix BSpecifications
129
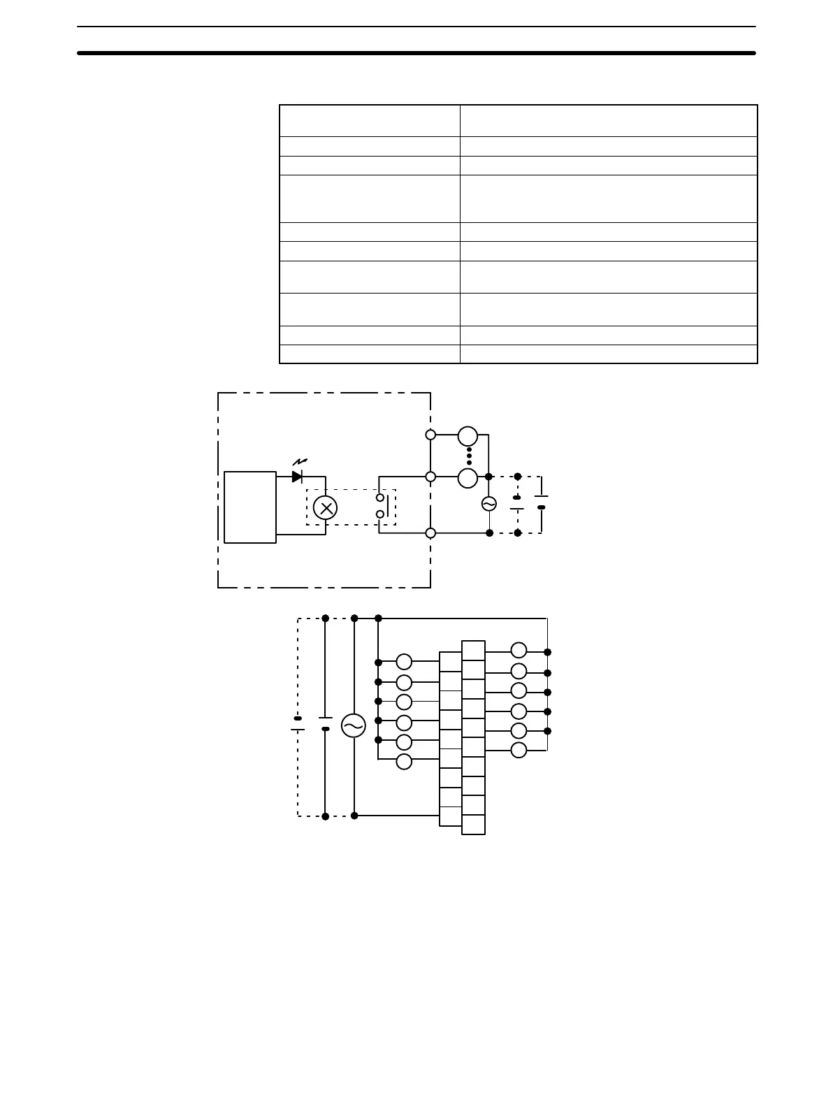
Contact Output Unit C200H-OC222
Max. Switching Capacity
2 A 250 VAC (cosf = 1), 2 A 250 VAC (cosf =
0.4), 2 A 24 VDC (8 A/Unit)
Min. Switching Capacity 10 mA 5 VDC
Relay G6B-1174P-FD-US (24 VDC) w/socket
Service Life of Relay Electrical: 500,000 operations (resistive load)/
100,000 operations (inductive load)
Mechanical: 50,000,000 operations
ON Response Time 10 ms max.
OFF Response Time 10 ms max.
No. of Circuits 1 (12 points/common) 8 points max. can be ON
simultaneously.
Internal Current Consumption 10 mA 5 VDC max. 75 mA 26 VDC (8 points ON
simultaneously.)
Weight 300 g max.
Dimensions B-shape
Circuit Configuration
Internal
Circuit
L
L
OUT
COM
OUT
Output indicator
250 VAC 24 VDC max.
Terminal Connections
A0
A1
A2
A3
A4
A5
A6
A7
A8
B0
B1
B2
B3
B4
B5
B6
B7
B8
B9
COM
1
3
5
7
9
11
NC
0
2
4
6
8
10
NC
NC
NC
NC
NC
250 VAC 24 VDC max.
(inductive load: 2 A resistive load: 2 A) (8 A/Unit)
L
L
L
L
L
L
L
L
L
L
L
L

Table of Contents

Other manuals for Omron C200HE-CPU42

Related product manuals