EasyManua.ls Logo

Omron C200HE-CPU42 - Page 153

Omron C200HE-CPU42
241 pages
Print Icon
To Next Page IconTo Next Page
To Next Page IconTo Next Page
To Previous Page IconTo Previous Page
To Previous Page IconTo Previous Page
Loading...
Appendix BSpecifications
141
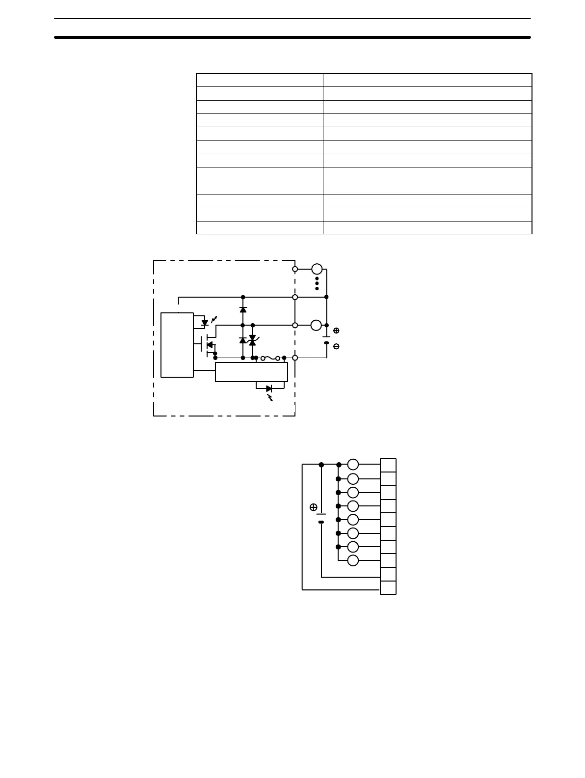
Transistor Output Unit C200H-OD213
Max. Switching Capacity 2.1 A 24 VDC
+10%
/
–15%
(5.2 A/Unit) NPN output
Min. Switching Capacity None
Leakage Current 0.1 mA max.
Residual Voltage 1.4 V max.
ON Response Time 0.2 ms max.
OFF Response Time 0.3 ms max.
No. of Circuits 1 (8 points/common)
Internal Current Consumption 140 mA 5 VDC max.
Fuse Rating 8 A 125 V (5.2-dia.x20)
Power for External Supply 30 mA 24 VDC
+10%
/
–15%
min.
Weight 250 g max.
Dimensions A-shape
Circuit Configuration
Internal
Circuit
L
OUT
COM
OUT
Output indicator
L
+ V
24 VDC
Fuse blowout
detection circuit
Fuse
F indicator
Fuse: UL-TSC-8A-N1 (Nagasawa)
8 A 125 V 5.2-dia 20
Note When the fuse blows, the F indicator lights and bit 08 turns ON. Bits 08 through 15 cannot be used as IR bits.
Terminal Connections
24 VDC
(2.1 A max., 5.2 A/Unit)
L
L
L
L
L
L
L
L
A0
A1
A2
A3
A4
A5
A6
A7
A8
A9
0
1
2
3
4
5
6
7
COM (0 V)
24 VDC
Note Be sure to supply power to A9; otherwise current will leak through the load while the output is OFF.

Table of Contents

Other manuals for Omron C200HE-CPU42

Related product manuals