EasyManua.ls Logo

Omron C200HE-CPU42 - Page 160

Omron C200HE-CPU42
241 pages
Print Icon
To Next Page IconTo Next Page
To Next Page IconTo Next Page
To Previous Page IconTo Previous Page
To Previous Page IconTo Previous Page
Loading...
Appendix BSpecifications
148
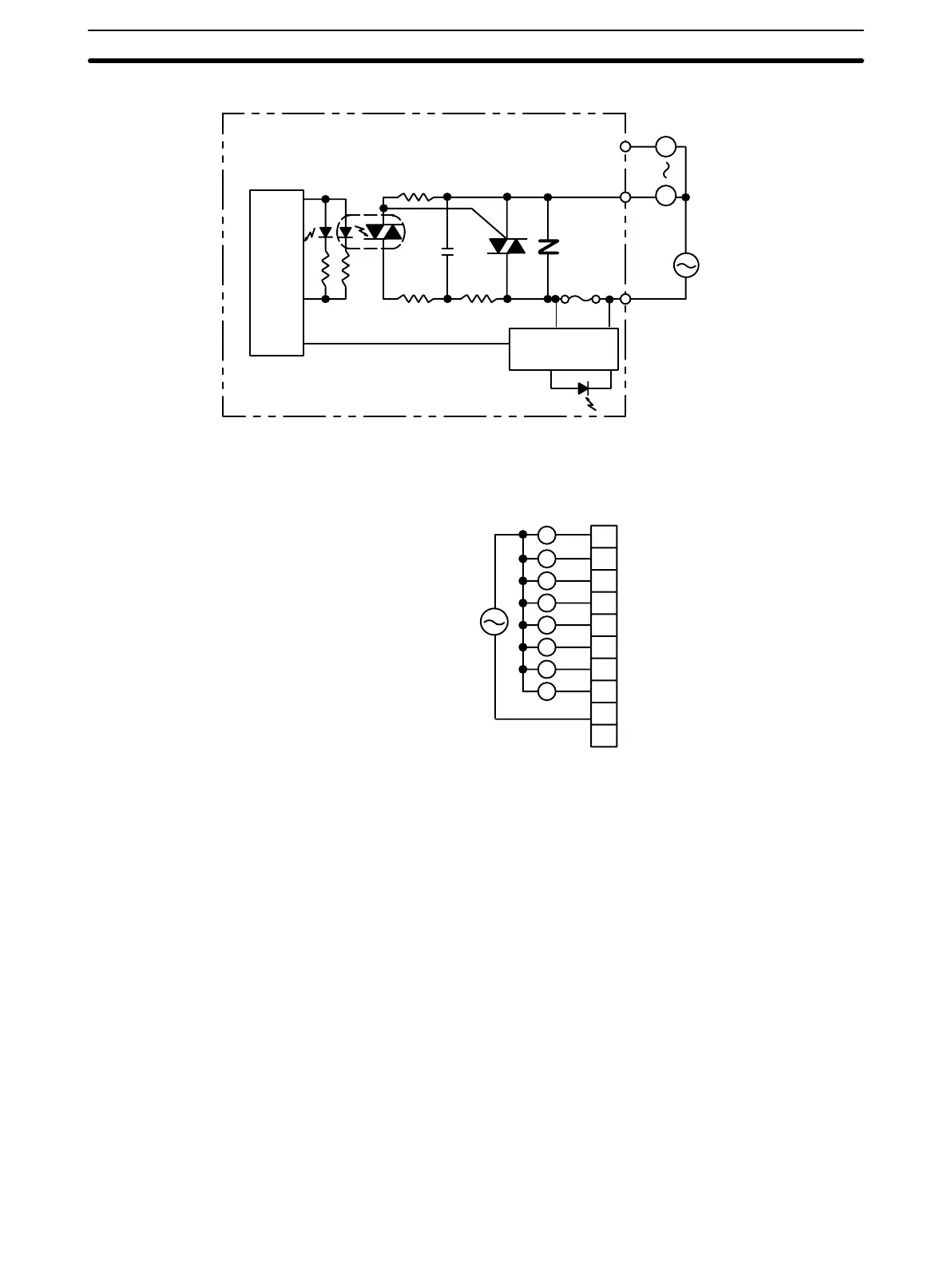
Circuit Configuration
L
Internal
Circuit
OUT
COM
OUT
Output indicator
L
120 VAC max.
Fuse: 5 A 125 V (5.2-dia.x20) GGS (Nagasawa)
Fuse
F indicator
Fuse blowout
detection circuit
Note When the fuse blows, the F indicator lights and bit 08 turns ON. Bits 08 through 15 cannot be used as IR bits.
Terminal Connections
A0
A1
A2
A3
A4
A5
A6
A7
A8
A9
0
1
2
3
4
5
6
7
L
L
L
L
L
L
L
L
COM
120 VAC max.
(1.2 A max. 4 A/Unit)
NC

Table of Contents

Other manuals for Omron C200HE-CPU42

Related product manuals