EasyManua.ls Logo

Omron C200HW-PD024

Omron C200HW-PD024
241 pages
To Next Page IconTo Next Page
To Next Page IconTo Next Page
To Previous Page IconTo Previous Page
To Previous Page IconTo Previous Page
Loading...
Appendix BSpecifications
132
Contact Output Unit C200H-OC224
Max. Switching Capacity
2 A 250 VAC (cosf = 1), 2 A 250 VAC (cosf =
0.4), 2 A 24 VDC (16 A/Unit)
Min. Switching Capacity 10 mA 5 VDC
Relay G6B-1174-P-FD-US (24 VDC) w/socket
Service Life of Relay Electrical: 500,000 operations (resistive load)/
100,000 operations (inductive load)
Mechanical: 50,000,000 operations
ON Response Time 10 ms max.
OFF Response Time 10 ms max.
No. of Circuits 8 independent contacts
Internal Current Consumption 10 mA 5 VDC max. 75 mA 26 VDC (8 points ON
simultaneously.)
Weight 300 g max.
Dimensions B-shape
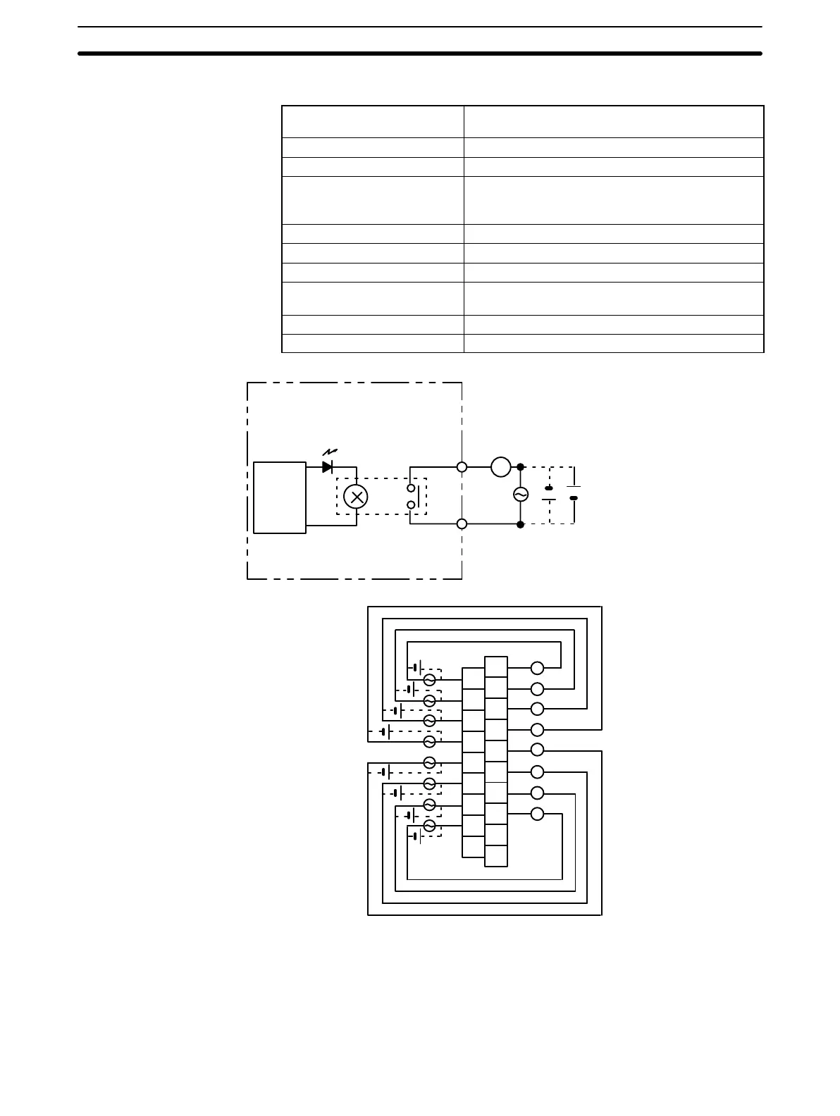
Circuit Configuration
Internal
Circuit
L
Output indicator
250 VAC 24 VDC max.
OUT
OUTc
Terminal Connections
B0
B1
B2
B3
B4
B5
B6
B7
B8
B9
A0
A1
A2
A3
A4
A5
A6
A7
A8
c0
c1
c2
c3
c4
c5
c6
c7
L
L
L
L
L
L
L
L
0
1
2
3
4
5
6
7
250 VAC 24 VDC max.
(inductive load: 2 A
resistive load: 2 A)
(16 A/Unit)
NC
NC
NC

Table of Contents

Related product manuals