EasyManua.ls Logo

Omron NX-EC0142 - Page 396

Omron NX-EC0142
468 pages
Print Icon
To Next Page IconTo Next Page
To Next Page IconTo Next Page
To Previous Page IconTo Previous Page
To Previous Page IconTo Previous Page
Loading...
Appendices
A - 8
NX-series Position Interface Units Users Manual (W524)
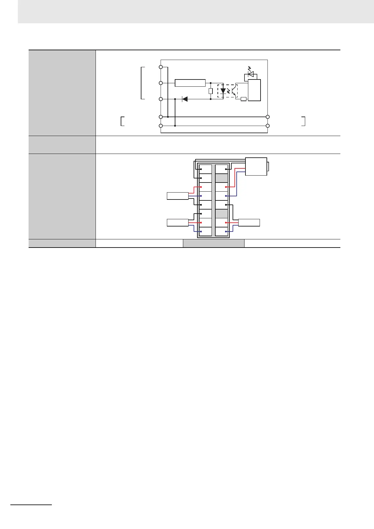
Circuit layout
Encoder Input and External Inputs
Installation orientation
and restrictions
Installation orientation: 6 possible orientations
Restrictions: There are no restrictions.
Terminal connection
diagram
Failure detection None Protection None
*1. The I/O refreshing method is automatically set according to the connected Communications Coupler Unit and CPU Unit.
A, B, Z
I0 to I2
IOG
Current limiter
IOV
I/O power supply +
I/O power supply
I/O power supply +
I/O power supply
Terminal block
Left-side
NX bus
connector
Right-side
NX bus
connector
Inter-
nal
cir-
cuits
A
Z
IOV
IOG
I0
I2
B
NC
IOV
IOG
I1
NC
IOG IOG
IOV IOV
Sensor 1
Sensor 2
Sensor 3
Encoder

Table of Contents

Related product manuals