EasyManua.ls Logo

Omron NX-EC0142 - Page 95

Omron NX-EC0142
468 pages
Print Icon
To Next Page IconTo Next Page
To Next Page IconTo Next Page
To Previous Page IconTo Previous Page
To Previous Page IconTo Previous Page
Loading...
4 - 17
4 Installation and Wiring
NX-series Position Interface Units Users Manual (W524)
4-2 Connecting the Power Supply and Ground Wires
4
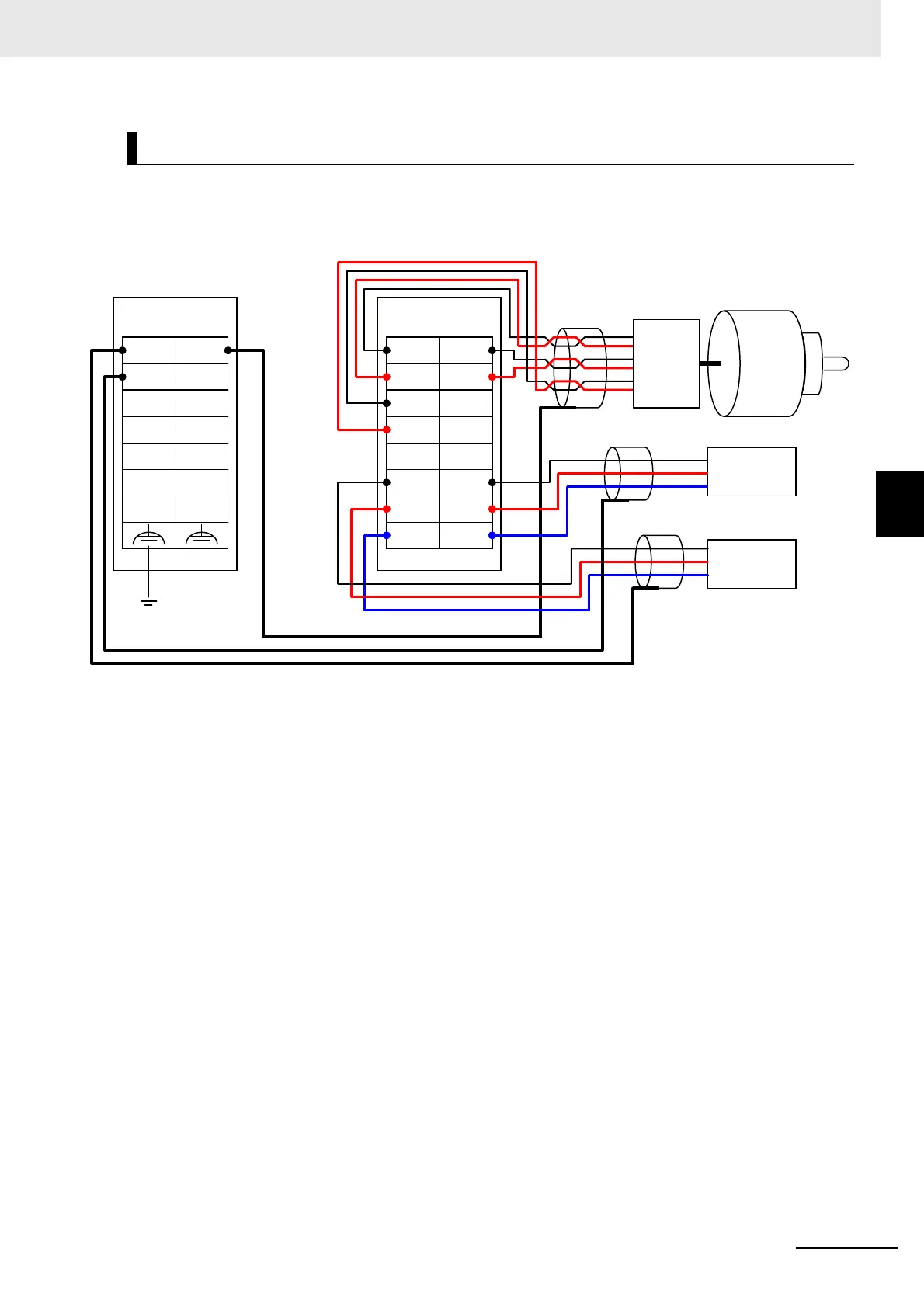
4-2-5 Wiring with Shielded Cables
NX-PG0112
The following wiring example shows an NX-PG0112 Pulse Output Unit wired to a drive with a
shielded cable. The shield is connected to the Shield Connection Unit (NX-TBX01).
Note The pulse output from an NX-PG0112 Pulse Output Unit is a 24-VDC NPN output. Refer to 8-6 Terminal
Block Arrangement on page 8-14 for information on wiring drives.
Wiring Example for Pulse Output Units
Shield
Connection Unit
Pulse Output Unit
Shield
Stepper motor
Sensor
Sensor
Shield
Shield
Drive
Ground to
100 Ω or less.
SHLD SHLD
SHLD
SHLD
SHLD
SHLD
SHLD
SHLD
SHLD
SHLD
SHLD
SHLD
SHLD
SHLD
IOV
AB
IOV
NC
IOV
NC
I1
IOV
IOG
O0
IOV
NC
I0
IOV
IOG

Table of Contents

Related product manuals