EasyManua.ls Logo

ON Semiconductor MC33067 - Page 7

ON Semiconductor MC33067
16 pages
Print Icon
To Next Page IconTo Next Page
To Next Page IconTo Next Page
To Previous Page IconTo Previous Page
To Previous Page IconTo Previous Page
Loading...
MC34067, MC33067
http://onsemi.com
7
3
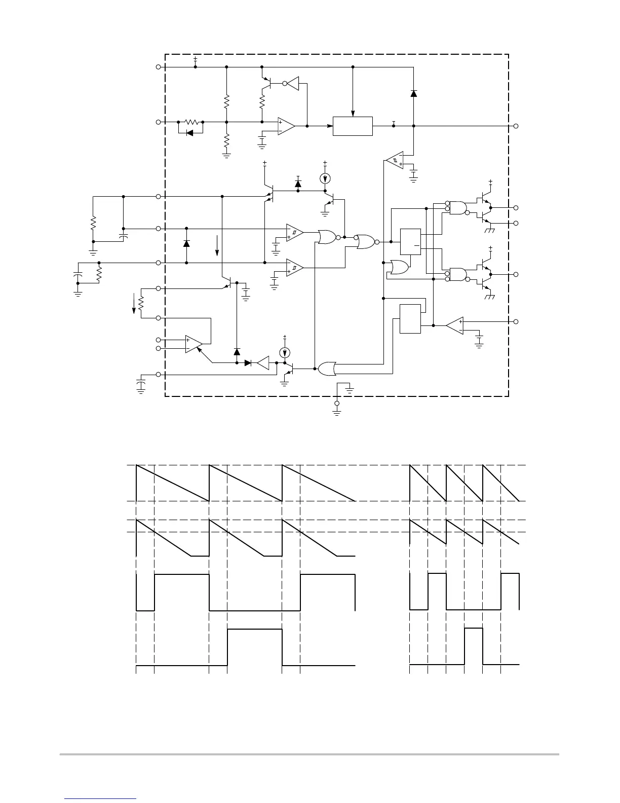
Figure 14. MC34067 Representative Block Diagram
12
Output B
13
14
8
7
Inverting Input
Oscillator
Control Current
16
9
8.0 V
Q2
R
R
T
C
T
R
OSC
C
OSC
R
VFO
V
ref
4.9V/3.6 V
15
V
CC
Enable /
UVLO Adjust
OSC Charge
OSC RC
One-Shot RC
Error Amp Output
Noninverting Input
Soft-Start
Ground4
Fault Input
Power
Ground
Output A
V
ref
D1
Q1
I
OSC
Oscillator
One-Shot
Error Amp
Clamp
3.1V
Error Amp
9.0 mA
1.0 V
Q
Q
T
Steering
Flip-Flop
4.2/4.0 V
V
ref
UVLO
V
CC
UVLO
7.0k
50k 7.0k
50k
4.9 V/3.6 V
V
ref
5.1 V
Reference
1
2
6
11
5
10
Figure 15. Timing Diagram
5.1 V
3. 6 V
C
OSC
5.1 V
3.6 V
One-Shot
Output A
Output B
t
OS
t
OS
t
OS
t
OS
t
OS
t
OS
High State Error Amp output, minimum I
OSC
current
occurring at minimum input voltage, maximum load.
Low State Error Amp output, maximum I
OSC
current
occurring at maximum input voltage, minimum load.
Fault Comparator
I
OSC
Fault
Latch
S
R
Q
Downloaded from Elcodis.com electronic components distributor

Related product manuals