EasyManua.ls Logo

Onan MDJF Series - Starting Procedures and Fuel System Bleeding

Onan MDJF Series
65 pages
Print Icon
To Next Page IconTo Next Page
To Next Page IconTo Next Page
To Previous Page IconTo Previous Page
To Previous Page IconTo Previous Page
Loading...
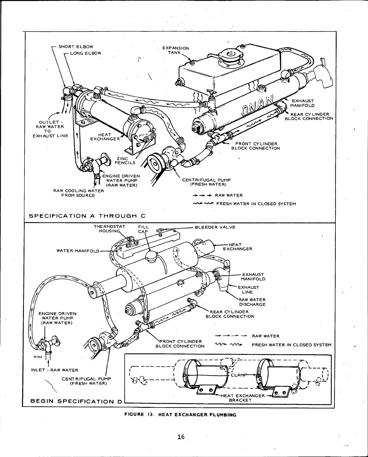
OUTLET -
RAW WATER
TO
EXHAUST LINE
REAR CYLINDER
BLOCK CONNECTION
, ENGINE DRIVEN
WATER PUMP
(RAW WATER)
RAW COOLING WATER
FROM SOURCE
SPECIFICATION
A THROUGH C
FRONT CYLINDER
BLOCK CONNECTION
CENTRIFUGAL PUMP
(FRESH WATER)
RAW WATER
^ FRESH WATER IN CLOSED SYSTEM
THERMOSTAT
HOUSIN
FILL
- BLEEDER VALVE
WATER MANIFOLD
HEAT
EXCHANGER
ENGINE DRIVEN
WATER PUMP
(RAW WATER)
RAW WATER
DISCHARGE
REAR CYLINDER
BLOCK CONNECTION
—•— -—- -~ RAW WATER
""FRONT CYLINDER
BLOCK CONNECTION '
WW
FRESH WATER IN CLOSED SYSTEM
INLET - RAW WATER
CENTRIFUGAL PUMP
(FRESH WATER)
BEGIN SPECIFICATION
D
-HEAT EXCHANGER
BRACKET
FIGURE
13.
HEAT EXCHANGER
PLUMBING
16

Related product manuals