EasyManua.ls Logo

Onkyo TX-7230 - Amplifier Section Block Diagram; Power Supply Section; Dynamic Bass Expander

Onkyo TX-7230
22 pages
Print Icon
To Next Page IconTo Next Page
To Next Page IconTo Next Page
To Previous Page IconTo Previous Page
To Previous Page IconTo Previous Page
Loading...
TX-7230
BLOCK
DIAGRAM
—AMPLIFIER
SECTION—
TUNER
o
BASS
TREBLE
VOLUME
Sel}
pal
S2
BALANCE
RS)
LOUDNESS
Q301
EQUALIZER
AMP
~
2301
$303
SELECTOR
PHONOO)
SOURCE
INDICATOR
»
To.Rch
co.
POWER
SPEAKER:
mReC
QO——+~—____}_
pre
t_-
AMP
PROTECTION
TAPE-1
aaa
PB
HE
ADPHONE
p-REC
TAPE-2
tpa
O—
Q9210922
SPEAKER
A
QS23
DY
NAMIC
BASS
XPANDER
owt
LEVEL
°
*
SPEAKER
B
—POWER
SUPPLY
SECTION—
To
FLUORESCENT
INDICATOR
TUBE
—DYNAMIC
BASS
EXPANDER—
OUTPUT
D521,
D522
RECTIFIER
FILTER
other
channel
i.
other
channel
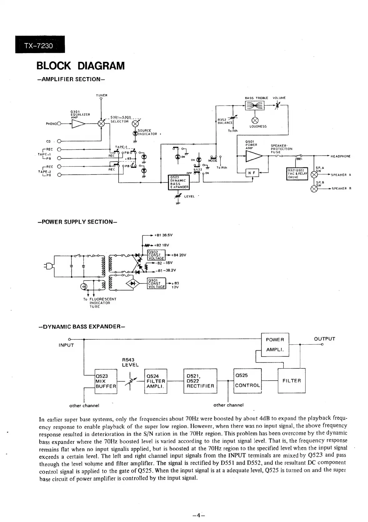
In
earlier
super
base
systems,
only
the
frequencies
about
70Hz
were
boosted
by
about
4dB
to
expand
the
playback
frequ-
ency
response
to
enable
playback
of
the
super
low
region.
However,
when
there
was
no
input
signal,
the
above
frequency
response
resulted
in
deterioration
in
the
S/N
ration
in
the
70Hz
region.
This
problem
has
been
overcome
by
the
dynamic
bass
expander
where
the
70Hz
boosted
level
is
varied
according
to
the
input
signal
level.
That
is,
the
frequency
response
remains
flat
when
no
input
signalis
applied,
but
is
boosted
at
the
70Hz
region
to
the
specified
level
when
the
input
signal
exceeds
a
certain
level.
The
left
and
right
channel
input
signals
from
the
INPUT
terminals
are
mixed
by
Q523
and
pass
through
the
level
volume
and
filter
amplifier.
The
signal
is
rectified
by
D551
and
D552,
and
the
resultant
DC
component
control
signal
is
applied
to
the
gate
of
Q525.
When
the
input
signal
is
at
a
adequate
level,
Q525
is
turned
on
and
the
super
base
circuit
of
power
amplifier
is
controlled
by
the
input
signal.

Related product manuals