EasyManua.ls Logo

Onkyo TX-7900 - Page 8

Onkyo TX-7900
28 pages
Print Icon
To Next Page IconTo Next Page
To Next Page IconTo Next Page
To Previous Page IconTo Previous Page
To Previous Page IconTo Previous Page
Loading...
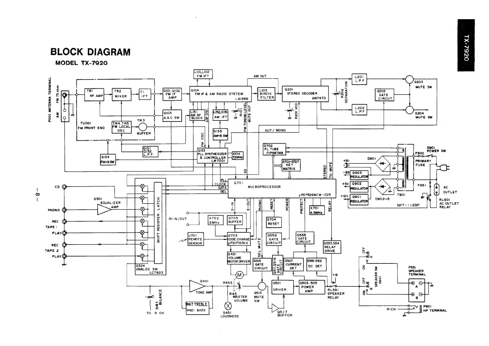
BLOCK
DIAGRAM
MODEL
TX-7920
wal
2
Be
2
ieee
|
Ze
t
i
i
$
TRI
TR2
TI
ator.
aioz
aio4
Cie
ete
veg
RF
AMP
aie
et
TY
FM
IF
FM
IF
&
AM
RADIO
SYSTEM
z
2
LAI266
AN7470
z
w
f
:
:
=
fais
152,
XII
2
2
*
AG.c
SW
AM
IFT
5
TUOO!
TRS.TR5
=
lem
FRONT
END
[FM
LOCAL
C)
Y
osc
oO
|
||
_
1
S801
oy
i
hi
ie
O
F902
Pow!
&
CONTROLLER
6801
O
LM7OO!
+81
PRIMARY
aa:
{
g
FUSE
~B2]
9903
?
REGULATOR
d
+5v
[0902
;
F95I
cog
REGULATOR
ed
H
AC
¥
OUTLET
py
PO7S268CW
-025
+12v
Tasor
T901
Q30i
Pa
peo2~5
Rg
REGULATOR!
RL9O1
EQUALIZER
o
es
>
z
<
=
AC
OUTLET
>
5
NPT-!129P
-
a
ce
om
Ww
»
RI
IN/OUT
x702
Q705
rec
©
be
&
BUFFER
»
=
=
PLAYG
9
|
|
i
U7O1
Q703
Q555
=
REMOTE
ICODE
CHANGE
wi
GATE
rec
©
=
i
SENSOR
Poi7ioscx
|
5
einer
Q553.554
TAPE
2
Sani
2
ORIVE
8
a
PLAY
@
VOLUME
ba
al
<
OTOR
DRIVER]
|Q5!5
.
GATE
Bs
ANALOG
SW
CIRCUIT
z
PS5I
LC7823
SPEAKER
(M)
+8
TERMINAL
Q4ol
[
te
R453
|
x
C)
$
w
Le
ae
RLS55I
_
R45
SPEAKER
F
weg
MASTER
MUTE
RELAY
25
b
VOLUME
sw
t
417
TREBLE
()
S
z
on
R421
BAS
a
aan
ay
TO
RCH
:
S451
Q517
HP
TERMINAL
BUFFER
LOUDNESS
O¢C6ZL-X1L

Related product manuals