EasyManua.ls Logo

Opacmare 1141 - Page 20

Default Icon
40 pages
Print Icon
To Next Page IconTo Next Page
To Next Page IconTo Next Page
To Previous Page IconTo Previous Page
To Previous Page IconTo Previous Page
Loading...
19
USE AND MAINTENANCE INSTRUCTIONS
MANUALE DI USO E MANUTENZIONE
Box passerelle
Passerella a scomparsa
EDITION OF 02/2012
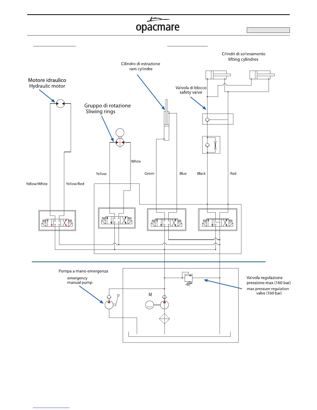
ã Hydraulic diagram ã Schema idraulico
Hydraulic diagram extension collapsible slewing gangways models 1202 / 1203 / 1212
Schema idraulico passerelle rotanti a scomparsa modello 1202 / 1203 / 1212
For the gangway with two retraction sections, the second cylinder
is connectin parallel to extension cylinder on the same E.V.
Per le passerelle a 2 sfili, il secondo cilindro è collegato in paralle-
lo al cilindro di estensione sulla stessa E.V.

Table of Contents

Related product manuals