EasyManua.ls Logo

OSHIMA K5 - K5 n Control Circuit Diagram

Default Icon
76 pages
Print Icon
To Next Page IconTo Next Page
To Next Page IconTo Next Page
To Previous Page IconTo Previous Page
To Previous Page IconTo Previous Page
Loading...
ED G E C O N TR O L
對邊左
對邊右
SEN SO R
對邊
black
black
blue
blue
brow n
brow n
081022
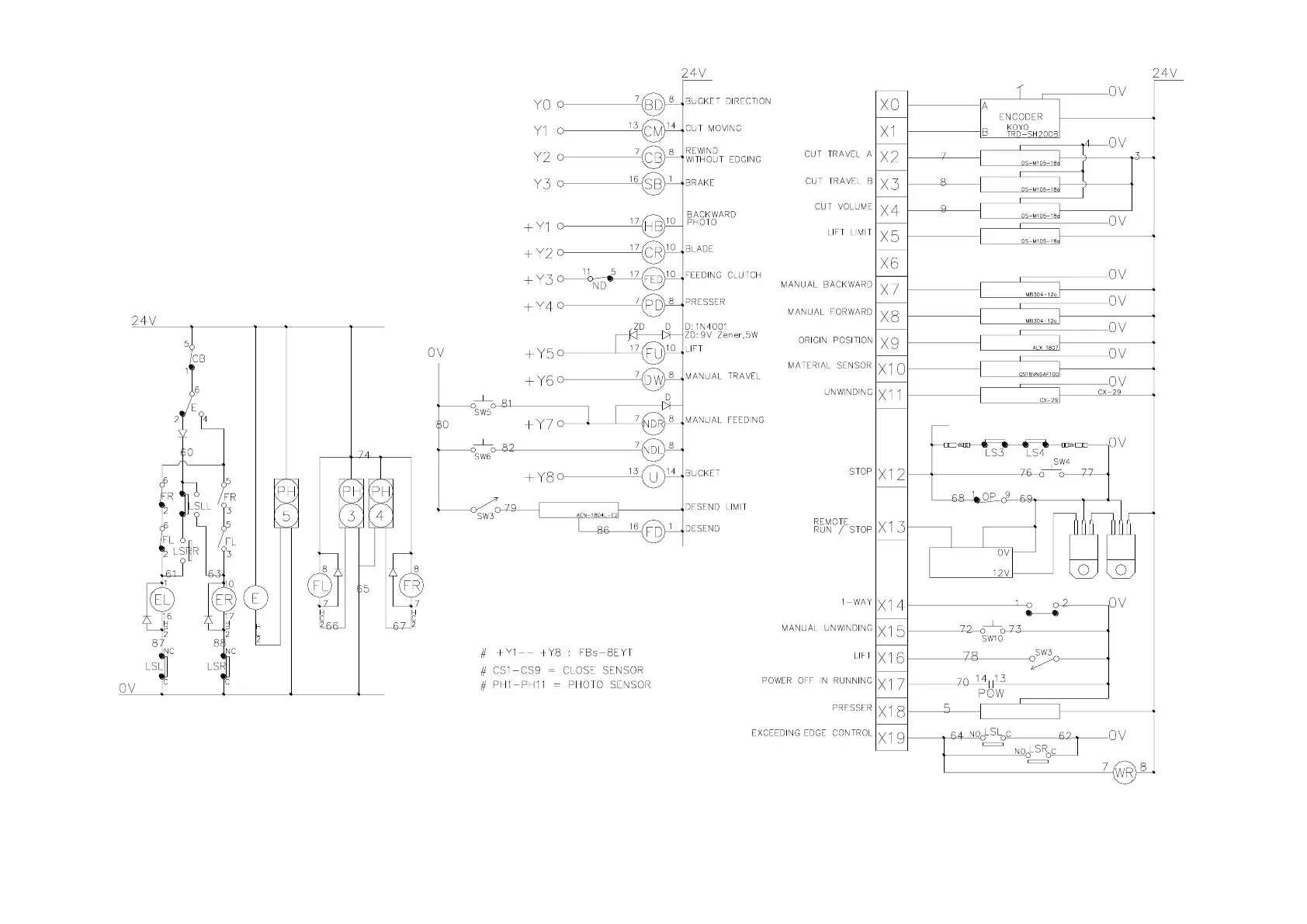
K 5n 控制迴路圖
停止
/
單拉
解布寸動
行進中斷電
對邊超越
壓定位
# CS1-C S9 : 接開關
# PH 1-PH 5 : 光電開關
C S5
black
blue
brow n
降限
布斗
吐布
black
blue
brow n
刀行B
刀行A
刀行量
升限
寸動右行
寸動左行
左零點
布有無
解布
走行寸動
押條
送布離合器
圓刀
捲回不對邊
煞車
刀行
布斗方向
後退光電
C S9
SH Y -2K
C
orange
31 2
yellow
B
7812
blue
3() / PH 6,7,8,9,10,11
21 3
7818
brow n
black
ED G E C O N TR O L
w hite
black
black
PH 1
blue
PH 2
brow n
blue
C S8
black
red
brow n
black
black
blue
brow n
C S6
blue
C S7
brow n
black
black
black
blue
brow n
C S1
blue
C S4
brow n
blue
C S3
brow n
black
black
w hite
blue
C S2
brow n
orange
blue
brow n
K 5n C ontrol C ircuit
42