EasyManua.ls Logo

Osmio Zero IP-II - After-sale service; Electrical & Schematic Diagram

Osmio Zero IP-II
19 pages
Print Icon
To Next Page IconTo Next Page
To Next Page IconTo Next Page
To Previous Page IconTo Previous Page
To Previous Page IconTo Previous Page
Loading...
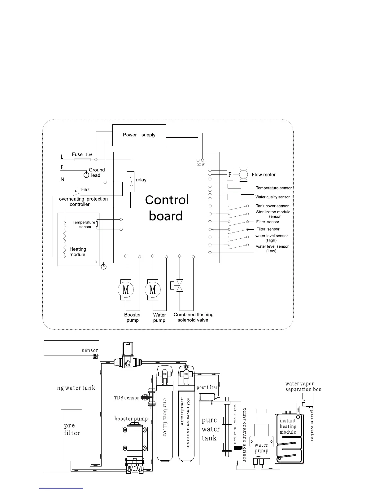
9 Electrical & Schematic Diagram
8 After-sale service
Our products have 1 year guarantee (for repair, replacement or compensation
of faulty products). If the product you bought has any quality problem, please
bring your invoice and to the dealer’s shop, exchange or refund service will be
offered within 30 days, maintenance service will be offered within 3 years.
Customer service hotline: 0800 002 9533