EasyManua.ls Logo

OTIS DO3000 - Page 22

OTIS DO3000
48 pages
Print Icon
To Next Page IconTo Next Page
To Next Page IconTo Next Page
To Previous Page IconTo Previous Page
To Previous Page IconTo Previous Page
Loading...
Users Guide of DO3000 Door Operator
Lead the green future All rights reserved © OTIS 22/48
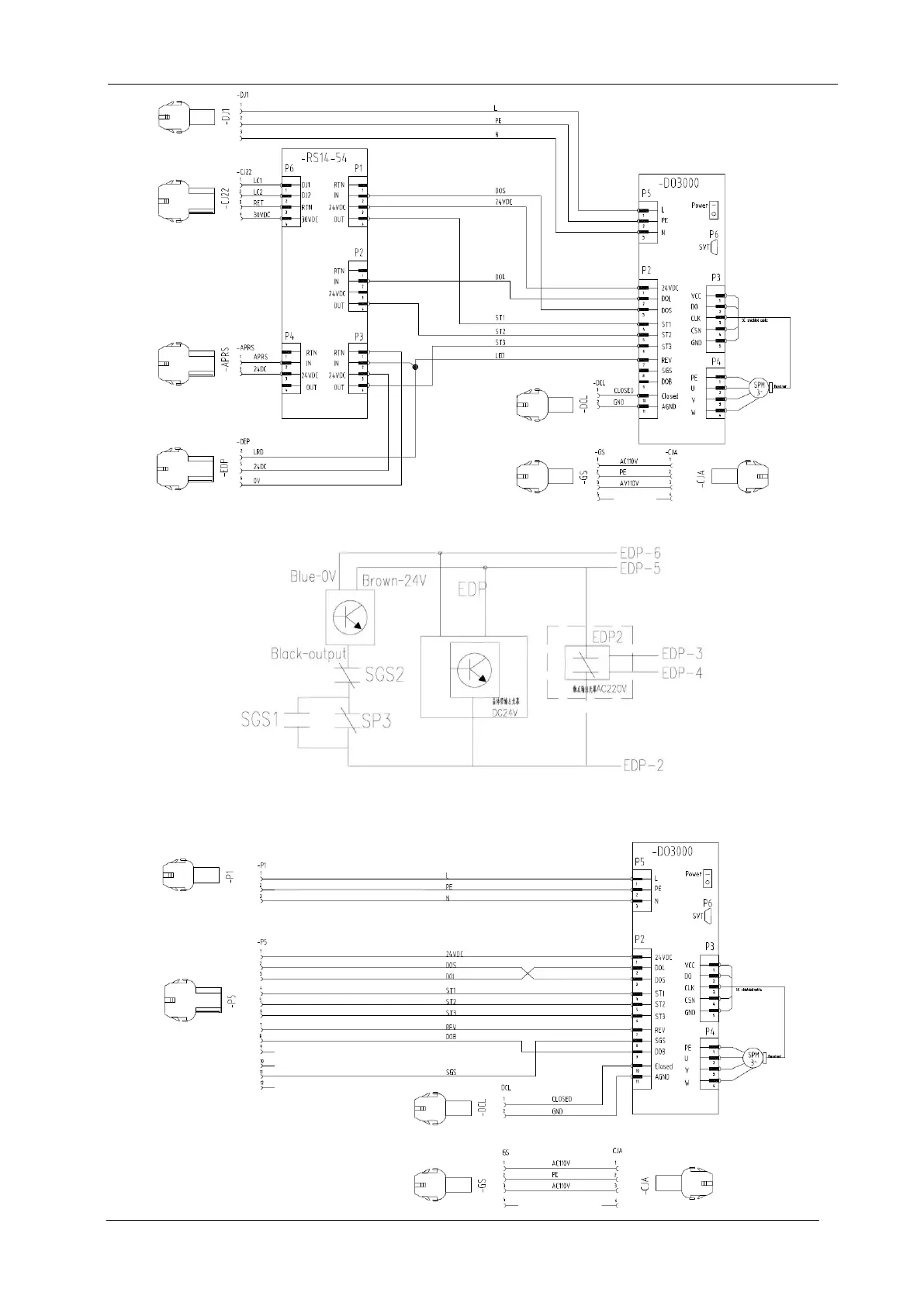
Fig.3-1 Wiring of HAA24360G1, HAA24360G7 controller components
Fig.3-2 Wiring of HAA24360G1, HAA24360G7 controller component light screen beam
3.1.2 Wiring of HAA24360G2 controller components (as shown in Fig.3-3)
Transistor output light
screen beam
Contact output light
screen beam