EasyManua.ls Logo

OTIS DO3000 - Page 23

OTIS DO3000
48 pages
Print Icon
To Next Page IconTo Next Page
To Next Page IconTo Next Page
To Previous Page IconTo Previous Page
To Previous Page IconTo Previous Page
Loading...
Users Guide of DO3000 Door Operator
Lead the green future All rights reserved © OTIS 23/48
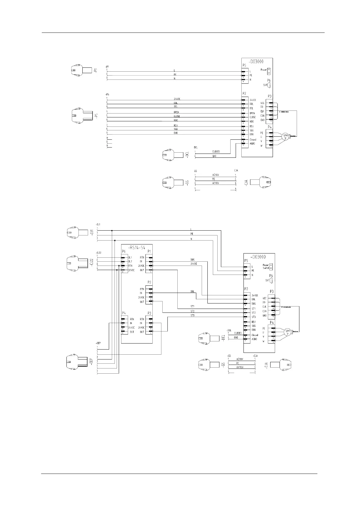
Fig.3-3 Wiring of HAA24360G2 controller components
3.1.3 Wiring of HAA24360G3, HAA24360G8 controller components (as shown in Fig.3-4)
Fig.3-4 Wiring of HAA24360G3, HAA24360G8 controller components
3.1.4 Wiring of HAA24360G4, HAA24360G9 controller components (as shown in Fig.3-5)
Fig.3-5 Wiring of HAA24360G4, HAA24360G9 controller components
3.1.5 Wiring of HAA24360G5, HAA24360G10 controller components (as shown in Fig.3-6)