EasyManua.ls Logo

OTIS DO3000 - Page 24

OTIS DO3000
48 pages
Print Icon
To Next Page IconTo Next Page
To Next Page IconTo Next Page
To Previous Page IconTo Previous Page
To Previous Page IconTo Previous Page
Loading...
Users Guide of DO3000 Door Operator
Lead the green future All rights reserved © OTIS 24/48
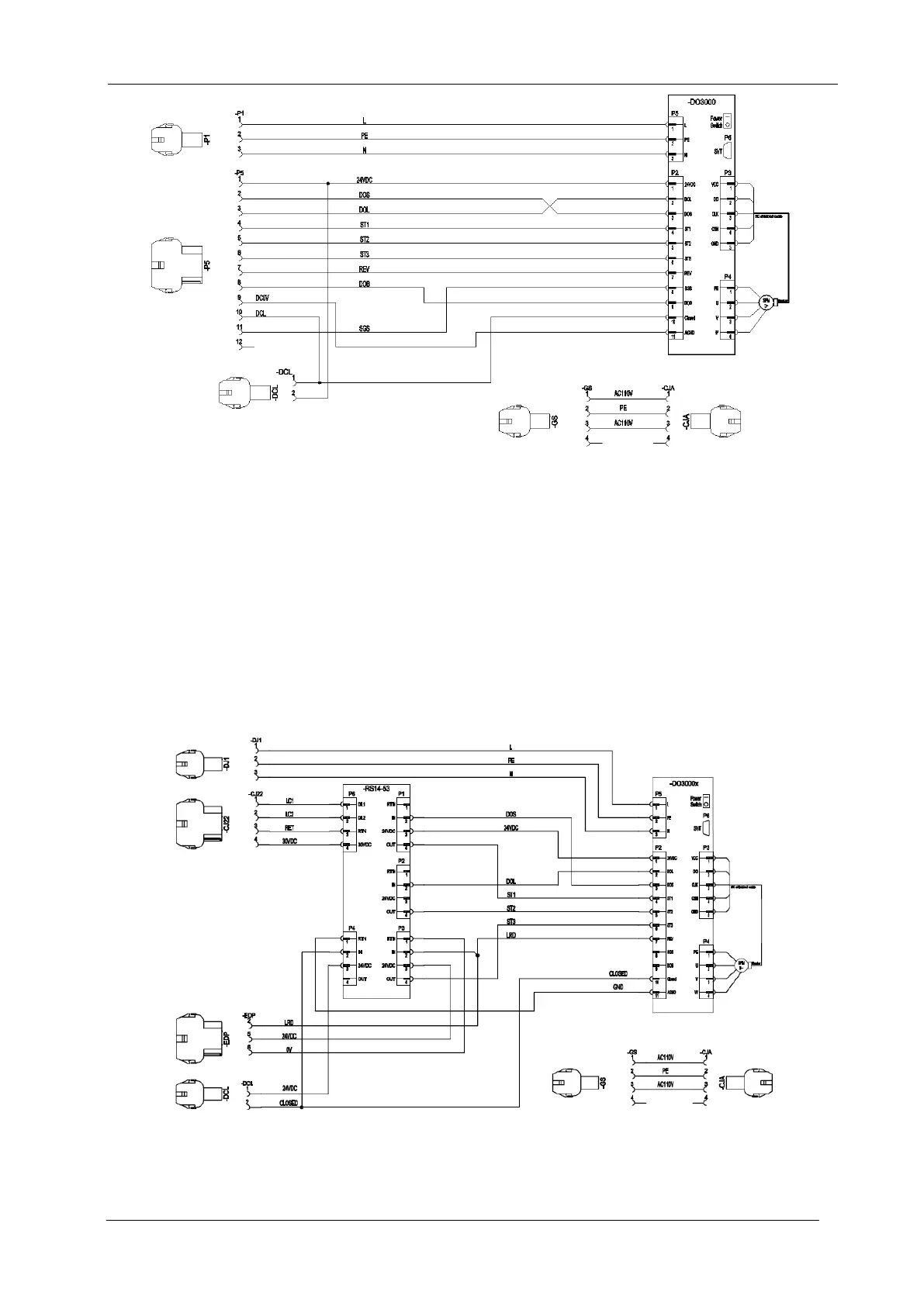
Fig.3-6 Wiring of HAA24360G5, HAA24360G10 controller components
3.1.6 Wiring of HAA24360G6, HAA24360G11 controller components (as shown in Fig.3-7)
Fig.3-7 Wiring of HAA24360G6, HAA24360G11 controller components
3.2 Controller Interface