EasyManua.ls Logo

OTIS DO3000 - Page 4

OTIS DO3000
48 pages
Print Icon
To Next Page IconTo Next Page
To Next Page IconTo Next Page
To Previous Page IconTo Previous Page
To Previous Page IconTo Previous Page
Loading...
Users Guide of DO3000 Door Operator
Lead the green future All rights reserved © OTIS 4/48
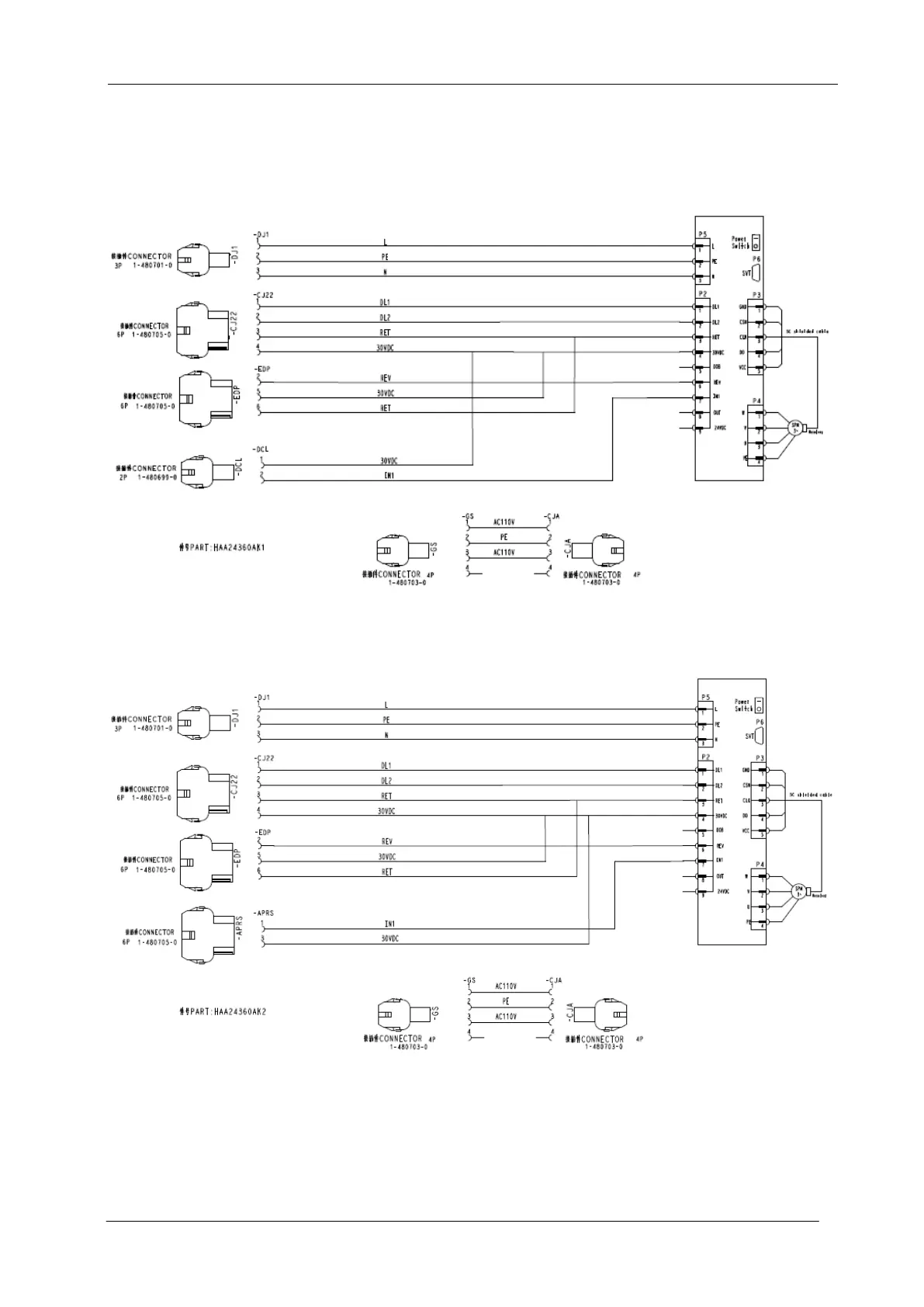
2. Electrical Debugging (1)
Part Number: HAA24360AK1~HAA24360AK4, HAA24360AE2
2.1 Wiring of controller
2.1.1 Wiring of HAA24360AK1,HAA24360AK3 controller components (as shown in Fig.2-1)
Fig.2-1 Wiring of HAA24360AK1, HAA24360AK3 controller
2.1.2 Wiring of HAA24360AK2,HAA24360AK4 controller components (as shown in Fig.2-2)
Fig.2-2 Wiring of HAA24360AK2,HAA24360AK4 controller