EasyManua.ls Logo

Oval PC2201 - SYSTEM CONFIGURATION

Default Icon
12 pages
Print Icon
To Next Page IconTo Next Page
To Next Page IconTo Next Page
To Previous Page IconTo Previous Page
To Previous Page IconTo Previous Page
Loading...
E-935-1-E
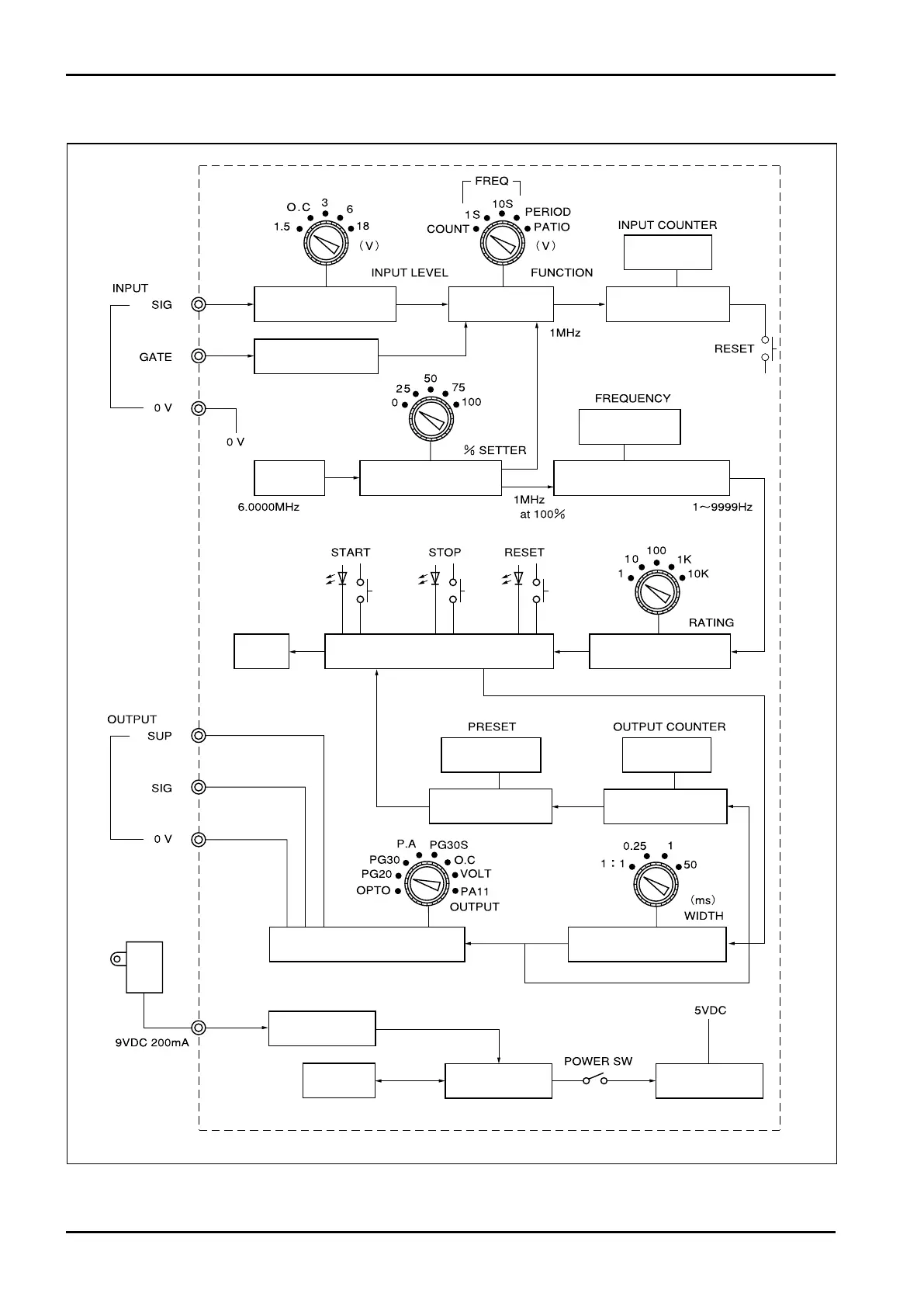
TRIGGERLEVELSET
GATE
INPUTINTEGRATOR
WAVESHAPING
8-DIGITLCD
DISPLAY
4-DIGITDECADE
SWITCH
CRYSTAL
OSC.
%FREQUENCY
REDUCTION×1/6
SCALER×1/100
"END"
BUZZER
BATCHCONTROLCIRCUIT
FREQ.REDUCTION
8-DIGITDECADE
SWITCH
8-DIGITLCD
DISPLAY
COUNTCOLLATE
OUTPUTCOUNTER
OUTPUTSIGNALSELECTCKT. PULSEWIDTHSHAPING
STABILIZEDVOLT
BATTERIES
CHARGE/
DISCHARGE
DC/DCCKT.
ACADAPTOR
100VAC
50/60Hz
UM-3Ni-CdBATTERY×6
COUNTING
SUSPENDED
END
3. SYSTEM CONFIGURATION