EasyManua.ls Logo

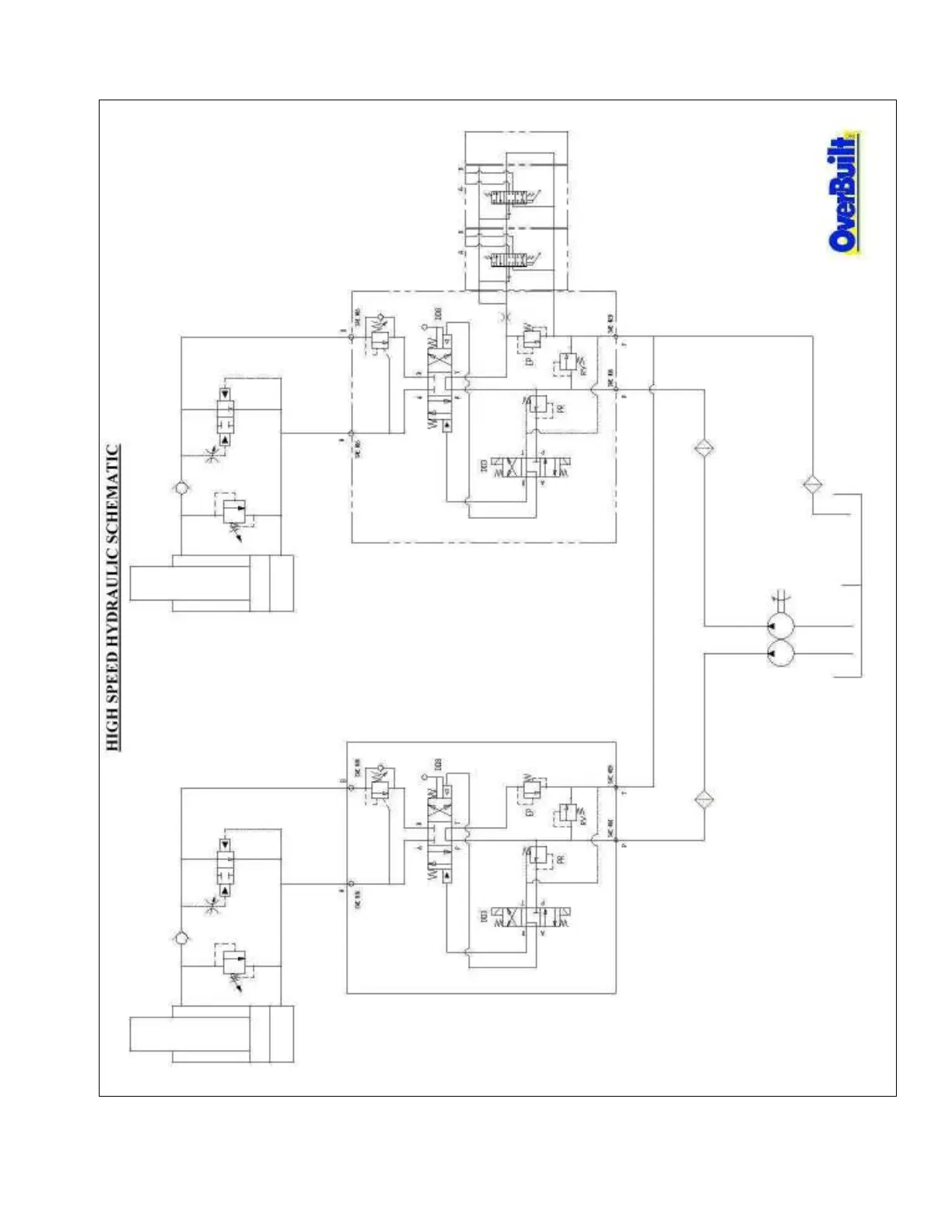
OverBuilt 10 HS - High Speed Hydraulic Schematic

Default Icon
52 pages
Print Icon
To Next Page IconTo Next Page
To Next Page IconTo Next Page
To Previous Page IconTo Previous Page
To Previous Page IconTo Previous Page
Loading...
12

Related product manuals