EasyManua.ls Logo

Pacific S-20 - Page 35

Pacific S-20
64 pages
Print Icon
To Next Page IconTo Next Page
To Next Page IconTo Next Page
To Previous Page IconTo Previous Page
To Previous Page IconTo Previous Page
Loading...
RETURN TO
TABLE OF
CONTENTS

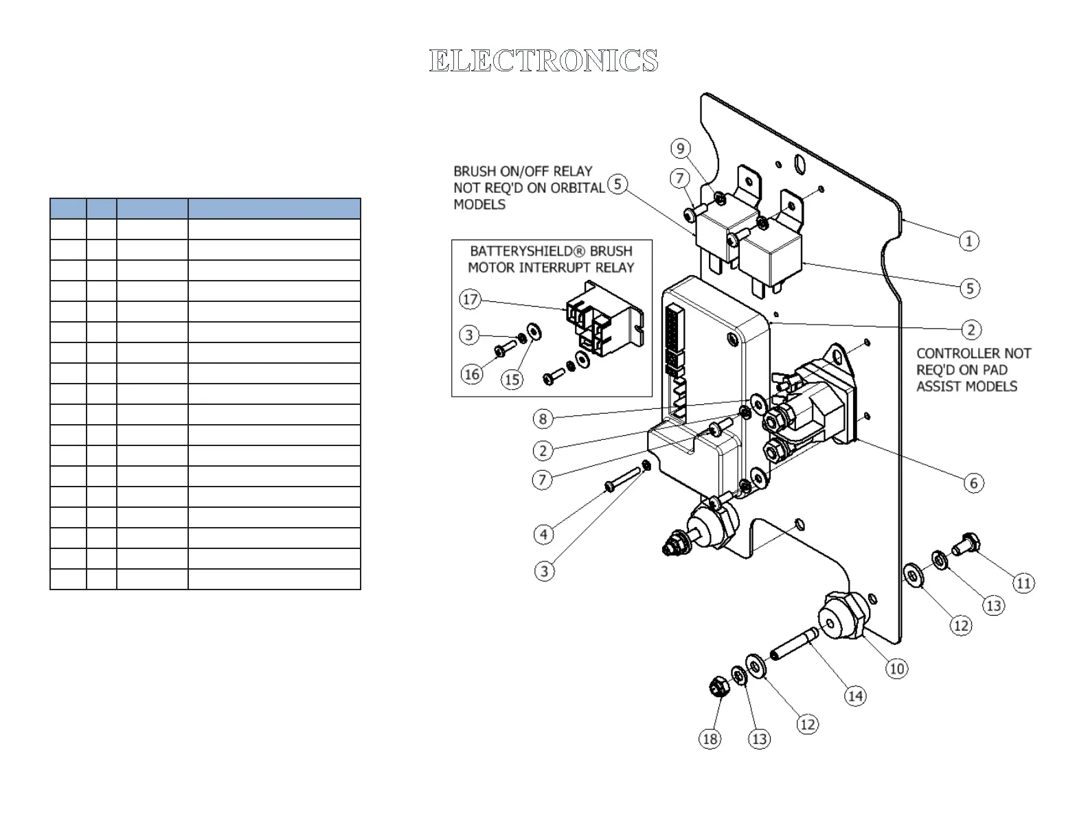
ELECTRONICS
ITEM QTY PART NUMBER DESCRIPTION
1 1 859801 PANEL, ELECTRONICS
2 1 859101 CONTROLLER, TRACTION, S20
3 4 980025 WASHER, SPLIT LOCK, #6, ZINC
4 2 W323D SCREW, PAN, #6-32 X 1.0, ZINC
5 2 912402 CONTACTOR, 24VDC, 70A
6 1 912401 CONTACTOR, 24V, 100A
7 4 962363 SCREW, PAN, #10-32 X .50, SS
8 2 W401D WASHER, FLAT, #10
9 4 980022 WASHER, LOCK, SPLIT, #10
10 2 858501 STAND-OFF, INSULATED, .25-20
11 4 W169D SCREW, HEX, .25-20 X .50
12 6 W104D WASHER, FLAT, .25
13 6 980002 WASHER, LOCK, SPLIT, .25
14 2 962276 SCREW, SET, .25-20 X 1.25, ZINC, PATCH
15 2 980033 WASHER, FLAT, #6, SS
16 2 W315D SCREW, PAN, #6-32 X .50, BLK
17 1 911685 RELAY, 24VDC, BATTERYSHIELD
18 2 924083 NUT .25-20 FLEX LOCK ZINC

Other manuals for Pacific S-20

Related product manuals