EasyManua.ls Logo

Panasonic C1381 - Page 15

Panasonic C1381
51 pages
Print Icon
To Next Page IconTo Next Page
To Next Page IconTo Next Page
To Previous Page IconTo Previous Page
To Previous Page IconTo Previous Page
Loading...
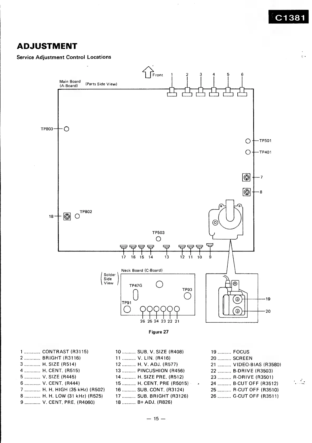
ADJUSTMENT
Service
Adjustment
Control
Locations
Main
Board
(A-Board)
TP803
TV
evttcareees
CONTRAST
(R3115)
2
isietess
BRIGHT
(R3116)
Sscsineatiens
H.
SIZE
(R514)
Qecisetateacs
H.
CENT.
(R515)
Dastecitates
V.
SIZE
(R445)
Bsineyiverend
V.
CENT.
(R444)
Pssigsineiets
H.
H.
HIGH
(35
kHz)
(R502)
Bookends
H.
H.
LOW
(31
kHz)
(R525)
Soper
V.
CENT,
PRE.
(R4060)
(Parts
Side
View}
26
25 24 23
22
21
Figure
27
TO
rs
cecints
SUB.
V.
SIZE
(R408)
Wess
V.
LIN.
(R416)
IQ:
cceesvees
H.
V.
ADJ.
(R577)
V3
shine
PINCUSHION
(R456)
VAN
ete
H.
SIZE
PRE.
(R512)
TS
eaves
H.
CENT.
PRE
(R5015)
TO
ecissverts.
SUB.
CONT.
(R3124)
Vd
eis
SUB.
BRIGHT
(R3126)
Cs
ener
eee
B+
ADJ.
(R826)
a5
=
my
19
sscseses
FOCUS
710
ee
SCREEN
7
ene
VIDEO-BIAS
(R3580)
22th
ok
B-DRIVE
(R3503)
DSi
oceate
R-DRIVE
(R3501)
:
OAs
cstints
B-CUT
OFF
(R3512)
ne
25
eee
R-CUT
OFF
(R3510)
26.aues)
G-CUT
OFF
(R3511)

Related product manuals