EasyManua.ls Logo

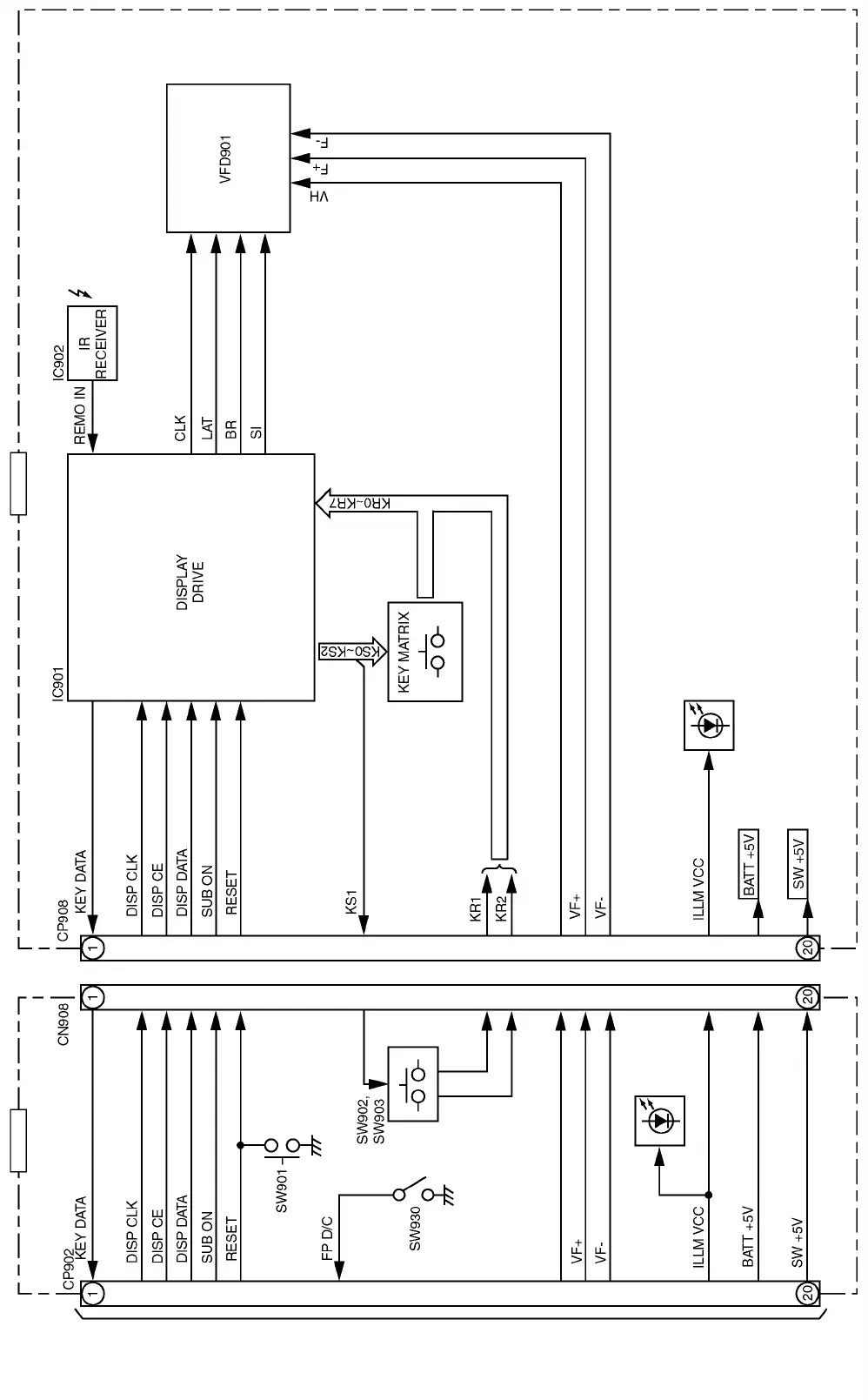
Panasonic CQ-VX2000 - blk_disp

Panasonic CQ-VX2000
47 pages
Print Icon
To Next Page IconTo Next Page
To Next Page IconTo Next Page
To Previous Page IconTo Previous Page
To Previous Page IconTo Previous Page
Loading...

Related product manuals