EasyManua.ls Logo

Panasonic CS-A24BD3P - Page 115

Panasonic CS-A24BD3P
167 pages
Print Icon
To Next Page IconTo Next Page
To Next Page IconTo Next Page
To Previous Page IconTo Previous Page
To Previous Page IconTo Previous Page
Loading...
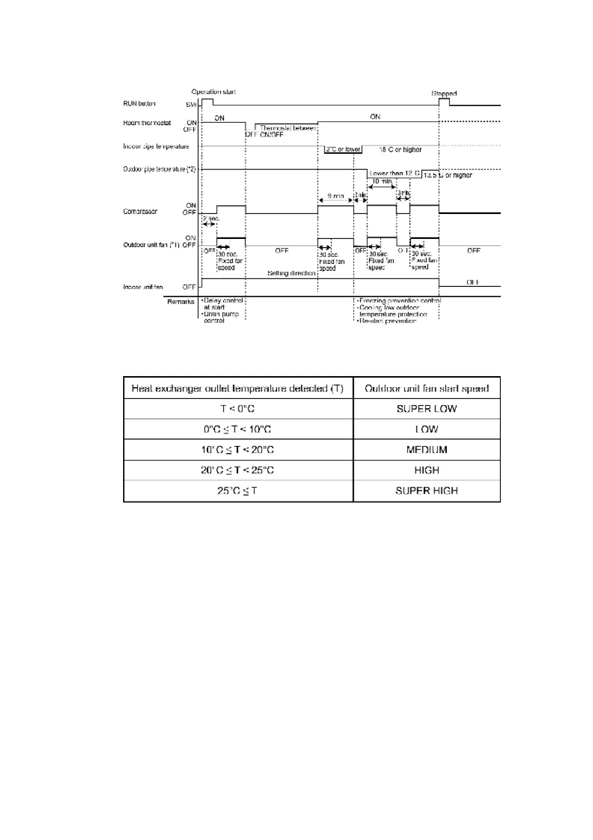
(*1) / Outdoor unit fan start control during cooling / At the start of cooling mode and drying
mode operation, the outdoor unit heat exchanger outlet temperature is detected in order to set
the fan speed. / Operation is carried out at the fan speed detected for 30 seconds.
After 30 seconds, the heat exchanger outlet temperature is detected and the outdoor unit fan
speed is changed automatically.
(*2) / Cooling low outdoor temperature protection / When the heat exchanger outlet temperature
drops to less than 12°C for a continuous period of 10 minutes, the outdoor unit stops running. /
This is cancelled after 3 minutes (re-start prevention)
- Remote control displays and indoor unit operation continue during
this time.
- The 10-minute countdown is cleared if the compressor stops or if
the temperature at the outdoor unit outlet rises to 13.5°C or higher.
26.2. Freezing prevention control
1. Operation / During cooling mode operation, after 9 minutes have
passed since the compressor turned on, the outdoor units stops
operating when the temperature detected by the indoor unit pipe
temperature sensor is 2°C or lower. / The indoor unit continues

Related product manuals